Lenkung undicht, Einstellung Lenkgeometrie Corsaro Saturno Minitauro
- 
				Corsaro 70
 - Beiträge: 29
 - Registriert: 14. November 2020, 17:59
 
Lenkung undicht, Einstellung Lenkgeometrie Corsaro Saturno Minitauro
Hallo,
Ich habe mir vor kurzem einen Corsaro 70 Syncro gekauft.
Die hydraulische Lenkung funktionierte jedoch nicht.
Habe Öl aufgekippt und festgestellt das die Lenkung dann geht, jedoch das Öl im Behälter komplett Schaum ist.
Außerdem drückt es am Lenkgetriebe durch einen Haarriss am Gehäuse Öl raus. ( nur beim nach links lenken ).
Mein Plan war jetzt den Riss schweißen zu lassen oder einen „neuen“ Gehäusedeckel zu besorgen.
Mit dem Schaum kann doch aber nicht normal oder beruhigt sich das nach dem ersten entlüften?
Kann das aufschäumen auch an dem Haarriss liegen ?
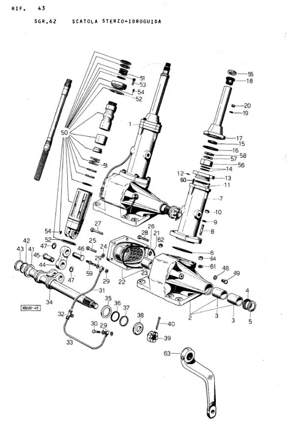
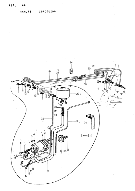
Hat jemand evtl eine Explosionszeichnung des Lenkgetriebes ?
Vielen Dank .
			
							
			
									
																
						Ich habe mir vor kurzem einen Corsaro 70 Syncro gekauft.
Die hydraulische Lenkung funktionierte jedoch nicht.
Habe Öl aufgekippt und festgestellt das die Lenkung dann geht, jedoch das Öl im Behälter komplett Schaum ist.
Außerdem drückt es am Lenkgetriebe durch einen Haarriss am Gehäuse Öl raus. ( nur beim nach links lenken ).
Mein Plan war jetzt den Riss schweißen zu lassen oder einen „neuen“ Gehäusedeckel zu besorgen.
Mit dem Schaum kann doch aber nicht normal oder beruhigt sich das nach dem ersten entlüften?
Kann das aufschäumen auch an dem Haarriss liegen ?
Hat jemand evtl eine Explosionszeichnung des Lenkgetriebes ?
Vielen Dank .
- 
				Kurt_TigerSix105
 - Foren-Administrator
 - Beiträge: 1305
 - Registriert: 31. Oktober 2010, 21:51
 - Wohnort: 57629 Mörsbach Ww.
 - Kontaktdaten:
 
Re: Lenkung undicht, Einstellung Lenkgeometrie Corsaro Saturno Mintauro
Hallo Corsaro 70 (ich hätte lieber den Fahrer anstatt den Traktor begrüßt)
zunächst Willkommen hier bei den Samefreunden.
Hier die Explosionszeichnungen:
Hier findest du Hinweise auf Ersatzteilelieferanten.
Wenn ALLES abgedichtet und entlüftet ist, sollte auch das Schäumen aufhören.
			
			
									
													zunächst Willkommen hier bei den Samefreunden.
Hier die Explosionszeichnungen:
Hier findest du Hinweise auf Ersatzteilelieferanten.
Wenn ALLES abgedichtet und entlüftet ist, sollte auch das Schäumen aufhören.
Viele Gruesse
Kurt
"Bei 99% aller Probleme ist die umfassende Beschreibung des Problems bereits mehr als die Hälfte der Lösung desselben."
			
						Kurt
"Bei 99% aller Probleme ist die umfassende Beschreibung des Problems bereits mehr als die Hälfte der Lösung desselben."
- 
				Corsaro 70
 - Beiträge: 29
 - Registriert: 14. November 2020, 17:59
 
Re: Lenkung undicht, Einstellung Lenkgeometrie Corsaro Saturno Minitauro
Danke für die schnelle Antwort 
Ich werde mich in einem anderen Beitrag dann nochmal vorstellen
 
Sobald der Deckel vom Schweißen zurück ist, werde ich testen ob es noch schäumt.
Gibt es zu den Zeichnungen auch die Bezeichnungen was die Nummern genau sind?!
			
			
									
																
						Ich werde mich in einem anderen Beitrag dann nochmal vorstellen
Sobald der Deckel vom Schweißen zurück ist, werde ich testen ob es noch schäumt.
Gibt es zu den Zeichnungen auch die Bezeichnungen was die Nummern genau sind?!
- 
				Kurt_TigerSix105
 - Foren-Administrator
 - Beiträge: 1305
 - Registriert: 31. Oktober 2010, 21:51
 - Wohnort: 57629 Mörsbach Ww.
 - Kontaktdaten:
 
Re: Lenkung undicht, Einstellung Lenkgeometrie Corsaro Saturno Minitauro
Ja gibt es, allerdings auf den angefügten Blättern nur in italienischer Sprache. Die Übersetzung ist in den vorderen Kapitel der Ersatzteilliste zu finden oder mit z.B. leo.org zu übersetzen.Corsaro 70 hat geschrieben: ↑17. November 2020, 16:03 Gibt es zu den Zeichnungen auch die Bezeichnungen was die Nummern genau sind?!
Viele Gruesse
Kurt
"Bei 99% aller Probleme ist die umfassende Beschreibung des Problems bereits mehr als die Hälfte der Lösung desselben."
			
						Kurt
"Bei 99% aller Probleme ist die umfassende Beschreibung des Problems bereits mehr als die Hälfte der Lösung desselben."
- 
				Corsaro 70
 - Beiträge: 29
 - Registriert: 14. November 2020, 17:59
 
Re: Lenkung undicht, Einstellung Lenkgeometrie Corsaro Saturno Minitauro
Hallo nochmal 
,
Ich habe jetzt den Deckel schweißen lassen und wieder montiert. Alles war dicht und die Lenkung funktionierte auch.
Jedoch war das Öl weiterhin schaumig.
Als ich dann voll links eingeschlagen hatte gab es einen Knall und der Deckel ist wieder geplatzt und das Öl spritzte raus.
Nun bin ich leider ratlos warum er wieder geplatzt ist.
Bevor ich gestartet hab, habe ich den Trecker vorn hoch gehoben sodass die Räder in der Luft hängen. Es ließ sich bis zum Abschlag in beide Richtungen lenken, ohne das etwas mechanisch auf den Deckel drückt.
Vielleicht hat ja jemand eine Idee was es sein könnte.
Der Vorbesitzer hat das Getriebe bereits 2x zerlegt gehabt, und es ist unklar ob alle Teile in der richtigen Reihenfolge montiert sind.
			
							
			
									
																
						Ich habe jetzt den Deckel schweißen lassen und wieder montiert. Alles war dicht und die Lenkung funktionierte auch.
Jedoch war das Öl weiterhin schaumig.
Als ich dann voll links eingeschlagen hatte gab es einen Knall und der Deckel ist wieder geplatzt und das Öl spritzte raus.
Nun bin ich leider ratlos warum er wieder geplatzt ist.
Bevor ich gestartet hab, habe ich den Trecker vorn hoch gehoben sodass die Räder in der Luft hängen. Es ließ sich bis zum Abschlag in beide Richtungen lenken, ohne das etwas mechanisch auf den Deckel drückt.
Vielleicht hat ja jemand eine Idee was es sein könnte.
Der Vorbesitzer hat das Getriebe bereits 2x zerlegt gehabt, und es ist unklar ob alle Teile in der richtigen Reihenfolge montiert sind.
- 
				Kurt_TigerSix105
 - Foren-Administrator
 - Beiträge: 1305
 - Registriert: 31. Oktober 2010, 21:51
 - Wohnort: 57629 Mörsbach Ww.
 - Kontaktdaten:
 
Re: Lenkung undicht, Einstellung Lenkgeometrie Corsaro Saturno Minitauro
Hallo Corsaro 70,
so ein Platzen des Deckels zeugt ja von unheimlicher mechanischen Gewalt oder extrem hohem Druck.
Mein erster Gedanke war, das vor dem Einbau bzw. der Justierung des Lenkgetriebes nicht darauf geachtet wurde, das sowohl die Räder in Mittelstellung (Geradeausfahrt) als auch das Lenkgetriebe in Mittelstellung (Geradeausfahrt, also das nach links und rechts die gleiche Anzahl Lenkradumdrehungen auszuführen sind) waren.
Deshalb markiere ich mir vor Ausbau des Lenkhebels (63 auf dem ersten Bild oben) nach Entfernen der Mutter (39 Bild oben) genau die Stellung des Lenkhebels zu der Welle (31 Bild oben). Wenn der Vorbesitzer das getan hat findest du vielleicht noch eine Markierung, wenn er das nicht getan hat, bleibt dir nichts anderes übrig als die Mittelstellungen selbst genau herauszufinden und dann entsprechend den Lenkhebel auf der Welle zu positionieren.
Wenn die Lenkradumdrehungen nach rechts und links ausgehend von der Geradeausstellung der Vorderräder unterschiedlich ist, würde ich das erst einstellen und probieren ob aus dem Deckel immer noch soviel Öl spritzt. Wenn nicht oder nur wenig würde ich dann den Deckel nochmal schweißen lassen und wieder montieren. Denn dieses hydraulisch unterstütztes Lenkgetriebe ist ja vom Innenleben quasi mechanisch, d.h. der "Hydraulik"kolben sollte nach oben und unten den gleichen Weg haben. Ganz anders verhält sich das bei einer hydrostatischen Lenkung weil dort zwischen der hydraulischen Betätigung und den Vorderrädern keine mechanische Verbindung besteht. Deshalb ist bei der hydrostatischen Lenkung die Stellung des Lenkrades völlig egal, nicht aber bei deiner hydraulisch unterstützten Lenkung.
			
			
									
													so ein Platzen des Deckels zeugt ja von unheimlicher mechanischen Gewalt oder extrem hohem Druck.
Mein erster Gedanke war, das vor dem Einbau bzw. der Justierung des Lenkgetriebes nicht darauf geachtet wurde, das sowohl die Räder in Mittelstellung (Geradeausfahrt) als auch das Lenkgetriebe in Mittelstellung (Geradeausfahrt, also das nach links und rechts die gleiche Anzahl Lenkradumdrehungen auszuführen sind) waren.
Deshalb markiere ich mir vor Ausbau des Lenkhebels (63 auf dem ersten Bild oben) nach Entfernen der Mutter (39 Bild oben) genau die Stellung des Lenkhebels zu der Welle (31 Bild oben). Wenn der Vorbesitzer das getan hat findest du vielleicht noch eine Markierung, wenn er das nicht getan hat, bleibt dir nichts anderes übrig als die Mittelstellungen selbst genau herauszufinden und dann entsprechend den Lenkhebel auf der Welle zu positionieren.
Wenn die Lenkradumdrehungen nach rechts und links ausgehend von der Geradeausstellung der Vorderräder unterschiedlich ist, würde ich das erst einstellen und probieren ob aus dem Deckel immer noch soviel Öl spritzt. Wenn nicht oder nur wenig würde ich dann den Deckel nochmal schweißen lassen und wieder montieren. Denn dieses hydraulisch unterstütztes Lenkgetriebe ist ja vom Innenleben quasi mechanisch, d.h. der "Hydraulik"kolben sollte nach oben und unten den gleichen Weg haben. Ganz anders verhält sich das bei einer hydrostatischen Lenkung weil dort zwischen der hydraulischen Betätigung und den Vorderrädern keine mechanische Verbindung besteht. Deshalb ist bei der hydrostatischen Lenkung die Stellung des Lenkrades völlig egal, nicht aber bei deiner hydraulisch unterstützten Lenkung.
Viele Gruesse
Kurt
"Bei 99% aller Probleme ist die umfassende Beschreibung des Problems bereits mehr als die Hälfte der Lösung desselben."
			
						Kurt
"Bei 99% aller Probleme ist die umfassende Beschreibung des Problems bereits mehr als die Hälfte der Lösung desselben."
- 
				Benutzer 1801 gelöscht
 
Re: Lenkung undicht, Einstellung Lenkgeometrie Corsaro Saturno Minitauro
Hallo,
wo hast du denn den Deckel schweissen lassen und was für Material ist das - Aluguss/Stahlguss...?
Sollte der Deckel reissen ist er entweder schlecht geschweisst, zu stark beschädigt, oder die wirkenden Kräfte sind zu groß!
Sollte der Deckel nicht reparabel sein und bei der Fa. Hölzberger kein Ersatz zu bekommen sein, empfehle ich Diesen einfach aus Stahl nachzubauen! Das ist einfach, kostet wenig und hält!
Beim einstellen der Lenkung ist die Mitte zu treffen! Das ist aber einfach. Lenkrad nach links an den Anschlag drehen und dann nach rechts drehen und die Umdrehungen zählen. Nimmt man dann die hälfte der Umdrehungen hat man logischerweise die Mitte. Dann werden die Räder in Mittelstellung gebracht und die Lenkung mit dem Getriebe verbunden!
Was defintiv vorher beseitigt werden muss ist die Luft in der Lenkung! Servoöl darf nicht schäumen! Richtig entlüfet - heisst Motor aus und das Lenkrad bei aufgebockter Vorderachse mehrfach nach links und rechts bis an den Anschlag gedreht. Das macht man so lange, bis im Rücklauf im Ölbehälter keine Luftblasen mehr aufsteigen! Sollte das Öl dann weiter schäumen liegt ein Leck vor. Möglicherweise ist die Pumpe die Ursache. War das Öl im Lenkgetriebe Rot oder Schwarz? Rot wäre gut, schwarz heisst - die Servopumpe zieht Motoröl und Luft.
Gruss Andreas
			
			
									
																
						wo hast du denn den Deckel schweissen lassen und was für Material ist das - Aluguss/Stahlguss...?
Sollte der Deckel reissen ist er entweder schlecht geschweisst, zu stark beschädigt, oder die wirkenden Kräfte sind zu groß!
Sollte der Deckel nicht reparabel sein und bei der Fa. Hölzberger kein Ersatz zu bekommen sein, empfehle ich Diesen einfach aus Stahl nachzubauen! Das ist einfach, kostet wenig und hält!
Beim einstellen der Lenkung ist die Mitte zu treffen! Das ist aber einfach. Lenkrad nach links an den Anschlag drehen und dann nach rechts drehen und die Umdrehungen zählen. Nimmt man dann die hälfte der Umdrehungen hat man logischerweise die Mitte. Dann werden die Räder in Mittelstellung gebracht und die Lenkung mit dem Getriebe verbunden!
Was defintiv vorher beseitigt werden muss ist die Luft in der Lenkung! Servoöl darf nicht schäumen! Richtig entlüfet - heisst Motor aus und das Lenkrad bei aufgebockter Vorderachse mehrfach nach links und rechts bis an den Anschlag gedreht. Das macht man so lange, bis im Rücklauf im Ölbehälter keine Luftblasen mehr aufsteigen! Sollte das Öl dann weiter schäumen liegt ein Leck vor. Möglicherweise ist die Pumpe die Ursache. War das Öl im Lenkgetriebe Rot oder Schwarz? Rot wäre gut, schwarz heisst - die Servopumpe zieht Motoröl und Luft.
Gruss Andreas
- 
				Corsaro 70
 - Beiträge: 29
 - Registriert: 14. November 2020, 17:59
 
Re: Lenkung undicht, Einstellung Lenkgeometrie Corsaro Saturno Minitauro
Den Deckel habe ich über einen Kumpel in einer Metallbau Firma schweißen lassen. Der zweite Riss ist deutlich neben der Schweißnaht ( rechst ). Geschweißt war es super ( Siehe Bild oben ). Material ist Stahlguss. 
Ich denke mal das der Deckel aufgrund mechanischer Einwirkung kaputt gegangen ist. Vermutlich drückt die Welle beim nach links lenken gegen den Deckel. Dies könnte am nicht mittig ausgerichteten Lenkgetriebe/Räder liegen.
Wenn ich die nächsten Tage die Zeit finde, werde ich mich mal bei machen und die Lenkung ausrichten.
Ich habe einen Deckel aus Stahl nachbauen lassen. Dieser ist stabiler als der original verbaute ( dicker ).
Neues Öl ist aufgefüllt, da ich vermutete das evtl falsches drauf war. Ob das alte Öl schwarz war, kann ich nicht mehr genau sagen. Glaube aber nicht.
Ich habe Standart Hydrauliköl aufgefüllt. Hoffe das ist ok.
Sollte alles nichts bringen, muss ich wohl oder übel das Lenkgetriebe ausbauen und zerlegen.
Ich werde berichten sobald es etwas neues gibt.
Gruß Christoph
			
							
			
									
																
						Ich denke mal das der Deckel aufgrund mechanischer Einwirkung kaputt gegangen ist. Vermutlich drückt die Welle beim nach links lenken gegen den Deckel. Dies könnte am nicht mittig ausgerichteten Lenkgetriebe/Räder liegen.
Wenn ich die nächsten Tage die Zeit finde, werde ich mich mal bei machen und die Lenkung ausrichten.
Ich habe einen Deckel aus Stahl nachbauen lassen. Dieser ist stabiler als der original verbaute ( dicker ).
Neues Öl ist aufgefüllt, da ich vermutete das evtl falsches drauf war. Ob das alte Öl schwarz war, kann ich nicht mehr genau sagen. Glaube aber nicht.
Ich habe Standart Hydrauliköl aufgefüllt. Hoffe das ist ok.
Sollte alles nichts bringen, muss ich wohl oder übel das Lenkgetriebe ausbauen und zerlegen.
Ich werde berichten sobald es etwas neues gibt.
Gruß Christoph
- 
				Kurt_TigerSix105
 - Foren-Administrator
 - Beiträge: 1305
 - Registriert: 31. Oktober 2010, 21:51
 - Wohnort: 57629 Mörsbach Ww.
 - Kontaktdaten:
 
Re: Lenkung undicht, Einstellung Lenkgeometrie Corsaro Saturno Minitauro
Hallo Christoph,Corsaro 70 hat geschrieben: ↑17. Dezember 2020, 20:35
....Ich habe Standart Hydrauliköl aufgefüllt. Hoffe das ist ok.....
entnommen aus der Bedienungsanleitung für den Corsaro 70 Syncro.
Der Deckel sieht gut aus. Ich hoffe das Endergebnis wird zufriedenstellend für dich sein.
Viele Gruesse
Kurt
"Bei 99% aller Probleme ist die umfassende Beschreibung des Problems bereits mehr als die Hälfte der Lösung desselben."
			
						Kurt
"Bei 99% aller Probleme ist die umfassende Beschreibung des Problems bereits mehr als die Hälfte der Lösung desselben."
- 
				Corsaro 70
 - Beiträge: 29
 - Registriert: 14. November 2020, 17:59
 
Re: Lenkung undicht, Einstellung Lenkgeometrie Corsaro Saturno Minitauro
Hallo und frohe Weihnachten 
 
Vorgestern kam ich mal dazu die Lenkung auszurichten. Gesamtweg sind 4 Umdrehungen. Und verbaut war es mit 2,75 Umdrehungen nach links. Bei Räder in geradeaus Stellung. Demnach eine Dreiviertel Runde verdreht. Was jedoch nur einen Zahn versetzen am Lenkhebel ausgemacht hat.
Nochmals vielen Dank für den super Tipp mit dem „verdrehten“ Lenkgetriebe.
Ich habe den Deckel montiert und einen Probelauf gemacht. Ein paar mal links und rechts gelenkt, Öl nachgekippt und erstmal 10min laufen lassen.
Die Lenkung funktionierte und auch ein lenken und halten gegen die Endanschläge hielt es stand.
Daraufhin bin ich ein paar mal vor und zurück gefahren und habe gelenkt.
Lenkung ging leicht, und scheint bis dato auch dicht zu sein.
Eine ausgiebige Probefahrt ist mir im Moment nicht möglich, da ich noch ein defektes Lager an der Vorderachse tauschen muss. ( Siehe anderer Beitrag
 ). 
Das Öl war nach wie vor schaumig, jedoch nach kurzer Standzeit, hat es sich im Behälter beruhigt.
Viele Grüße
			
							
			
									
																
						Vorgestern kam ich mal dazu die Lenkung auszurichten. Gesamtweg sind 4 Umdrehungen. Und verbaut war es mit 2,75 Umdrehungen nach links. Bei Räder in geradeaus Stellung. Demnach eine Dreiviertel Runde verdreht. Was jedoch nur einen Zahn versetzen am Lenkhebel ausgemacht hat.
Nochmals vielen Dank für den super Tipp mit dem „verdrehten“ Lenkgetriebe.
Ich habe den Deckel montiert und einen Probelauf gemacht. Ein paar mal links und rechts gelenkt, Öl nachgekippt und erstmal 10min laufen lassen.
Die Lenkung funktionierte und auch ein lenken und halten gegen die Endanschläge hielt es stand.
Daraufhin bin ich ein paar mal vor und zurück gefahren und habe gelenkt.
Lenkung ging leicht, und scheint bis dato auch dicht zu sein.
Eine ausgiebige Probefahrt ist mir im Moment nicht möglich, da ich noch ein defektes Lager an der Vorderachse tauschen muss. ( Siehe anderer Beitrag
Das Öl war nach wie vor schaumig, jedoch nach kurzer Standzeit, hat es sich im Behälter beruhigt.
Viele Grüße