Hallo zusammen.
Ich dachte mir, bringst mal ein bisschen Leben in die Bude hier und da die Hubzylinder schon Aufmerksamkeit erweckt haben, dachte ich mir zeigst die hier mal, evtl. interessiert es ja jemanden...
Der Vorbesitzer von meinem Panther hat ne 3m Kreiselegge mit aufgesattelter Sähmaschine gefahren, da war die Dreipunkt anscheinend zu schwach, dann haben die da was zusammen gezimmert. Die Hubzylinder sind unten an den Haltern vom Zugmaul befestigt und oben ist was an die Hubarme angeschweißt worden. Das Öl dafür wird vorne am Kraftheberblock abgenommen.
Dieses Konstrukt hat allerdings einen riesen Problem. Der untere Bolzen des Zugmauls lässt sich nicht mehr reinstecken, da ein Zylinder das Loch seitlich blockiert. Die Helden haben damals einfach den unteren Bolzen in 2 kleine zerschnitten, allerdings wackelt jetzt das ganze Ding ganz schön, da sich die Löcher ausgearbeitet haben... Da muss ich mir unbedingt was einfallen lassen....
Grüße
Zusatzhubzylinder
Hydraulikblock, Betätigung, Zusatzhubzylinder
- GüldnerG50
- Beiträge: 215
- Registriert: 22. Dezember 2013, 22:41
- Wohnort: Bei Augsburg
-
Kurt_TigerSix105
- Foren-Administrator
- Beiträge: 1327
- Registriert: 31. Oktober 2010, 21:51
- Wohnort: 57629 Mörsbach Ww.
- Kontaktdaten:
Re: Zusatzhubzylinder
Beitrag von Kurt_TigerSix105 »
Hallo Florian,
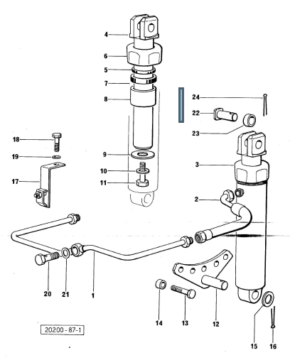
bei mir ist der "Halter 12" auf dem Bild mit dem Achsrohr am Differentialgehäuse verschraubt. Aber ich denke dafür sind deine jetzt montierten Zylinder zu lang.
bei mir ist der "Halter 12" auf dem Bild mit dem Achsrohr am Differentialgehäuse verschraubt. Aber ich denke dafür sind deine jetzt montierten Zylinder zu lang.
Viele Gruesse
Kurt
"Bei 99% aller Probleme ist die umfassende Beschreibung des Problems bereits mehr als die Hälfte der Lösung desselben."
Kurt
"Bei 99% aller Probleme ist die umfassende Beschreibung des Problems bereits mehr als die Hälfte der Lösung desselben."
Gehe zu
- Allgemeines
- ↳ Das Forum betreffend...
- ↳ Neuigkeiten und Ankündigungen
- ↳ Firmen, Adressen, Webseiten
- Same
- ↳ DA 12 bis DA 67 ohne Sametto (1953-1966)
- ↳ Wissenswertes
- ↳ Motor
- ↳ Triebwerk
- ↳ Bremse
- ↳ Lenkung
- ↳ Karosserie
- ↳ elektrische Anlage
- ↳ Heckhydraulik
- ↳ Bereifung
- ↳ Zubehör
- ↳ Puledro, 240, 250, 360, 480, Ariete, Atlanta, Italia (1959-65)
- ↳ Wissenswertes
- ↳ Motor
- ↳ Triebwerk
- ↳ Bremse
- ↳ Lenkung
- ↳ Karosserie
- ↳ elektrische Anlage
- ↳ Heckhydraulik
- ↳ Bereifung
- ↳ Zubehör
- ↳ Delfino, Aurora (1971-95)
- ↳ Wissenswertes
- ↳ Motor
- ↳ Triebwerk
- ↳ Bremse
- ↳ Lenkung
- ↳ Karosserie
- ↳ elektrische Anlage
- ↳ Heckhydraulik
- ↳ Bereifung
- ↳ Zubehör
- ↳ Falcon, Minitauro, Centauro (1965-78)
- ↳ Wissenswertes
- ↳ Motor
- ↳ Triebwerk
- ↳ Bremse
- ↳ Lenkung
- ↳ Karosserie
- ↳ elektrische Anlage
- ↳ Heckhydraulik
- ↳ Bereifung
- ↳ Zubehör
- ↳ Leone, Corsaro, Saturno, Ariete (1967-80)
- ↳ Wissenswertes
- ↳ Motor
- ↳ Triebwerk
- ↳ Bremse
- ↳ Lenkung
- ↳ Karosserie
- ↳ elektrische Anlage
- ↳ Heckhydraulik
- ↳ Bereifung
- ↳ Zubehör
- ↳ Panter, Drago, Buffalo (1973-77)
- ↳ Wissenswertes
- ↳ Motor
- ↳ Triebwerk
- ↳ Bremse
- ↳ Lenkung
- ↳ Karosserie
- ↳ elektrische Anlage
- ↳ Heckhydraulik
- ↳ Bereifung
- ↳ Zubehör
- ↳ Falcon, Condor, Taurus, Minitaurus (1976-87)
- ↳ Wissenswertes
- ↳ Motor
- ↳ Triebwerk
- ↳ Bremse
- ↳ Lenkung
- ↳ Karosserie
- ↳ elektrische Anlage
- ↳ Heckhydraulik
- ↳ Bereifung
- ↳ Zubehör
- ↳ Centauro, Centurion, Mercury, Leopard (1978-87)
- ↳ Wissenswertes
- ↳ Motor
- ↳ Triebwerk
- ↳ Bremse
- ↳ Lenkung
- ↳ Karosserie
- ↳ elektrische Anlage
- ↳ Heckhydraulik
- ↳ Bereifung
- ↳ Zubehör
- ↳ Panther, Jaguar (1978-84)
- ↳ Wissenswertes
- ↳ Motor
- ↳ Triebwerk
- ↳ Bremse
- ↳ Lenkung
- ↳ Karosserie
- ↳ elektrische Anlage
- ↳ Heckhydraulik
- ↳ Bereifung
- ↳ Zubehör
- ↳ Tiger, Trident (1977-83)
- ↳ Wissenswertes
- ↳ Motor
- ↳ Triebwerk
- ↳ Bremse
- ↳ Lenkung
- ↳ Karosserie
- ↳ elektrische Anlage
- ↳ Heckhydraulik
- ↳ Bereifung
- ↳ Zubehör
- ↳ Drago, Buffalo, Hercules (1978-86)
- ↳ Wissenswertes
- ↳ Motor
- ↳ Triebwerk
- ↳ Bremse
- ↳ Lenkung
- ↳ Karosserie
- ↳ elektrische Anlage
- ↳ Heckhydraulik
- ↳ Bereifung
- ↳ Zubehör
- ↳ Vigneron, Frutteto, Golden (1979-2009)
- ↳ Wissenswertes
- ↳ Motor
- ↳ Triebwerk
- ↳ Bremse
- ↳ Lenkung
- ↳ Karosserie
- ↳ elektrische Anlage
- ↳ Heckhydraulik
- ↳ Bereifung
- ↳ Zubehör
- ↳ Explorer, Explorer II, Explorer III (1983- heute) auch Same Acqua Speed 95
- ↳ Wissenswertes
- ↳ Motor
- ↳ Triebwerk
- ↳ Bremse
- ↳ Lenkung
- ↳ Karosserie
- ↳ elektrische Anlage
- ↳ Heckhydraulik
- ↳ Bereifung
- ↳ Zubehör
- ↳ Laser, Galaxy (1985-96)
- ↳ Wissenswertes
- ↳ Motor
- ↳ Triebwerk
- ↳ Bremse
- ↳ Lenkung
- ↳ Karosserie
- ↳ elektrische Anlage
- ↳ Heckhydraulik
- ↳ Bereifung
- ↳ Zubehör
- ↳ Solar (1987-97)
- ↳ Wissenswertes
- ↳ Motor
- ↳ Triebwerk
- ↳ Bremse
- ↳ Lenkung
- ↳ Karosserie
- ↳ elektrische Anlage
- ↳ Heckhydraulik
- ↳ Bereifung
- ↳ Zubehör
- ↳ Aster (1989-96)
- ↳ Motor
- ↳ Triebwerk
- ↳ Bremse
- ↳ Lenkung
- ↳ Karosserie
- ↳ elektrische Anlage
- ↳ Heckhydraulik
- ↳ Bereifung
- ↳ Zubehör
- ↳ Antares, Antares II (1989-2000)
- ↳ Motor
- ↳ Triebwerk
- ↳ Bremse
- ↳ Lenkung
- ↳ Karosserie
- ↳ elektrische Anlage
- ↳ Heckhydraulik
- ↳ Bereifung
- ↳ Zubehör
- ↳ Titan (1991-2001)
- ↳ Wissenswertes
- ↳ Motor
- ↳ Triebwerk
- ↳ Bremse
- ↳ Lenkung
- ↳ Karosserie
- ↳ elektrische Anlage
- ↳ Heckhydraulik
- ↳ Bereifung
- ↳ Zubehör
- ↳ Solaris (1992 - )
- ↳ Wissenswertes
- ↳ Motor
- ↳ Triebwerk
- ↳ Bremse
- ↳ Lenkung
- ↳ Karosserie
- ↳ elektrische Anlage
- ↳ Heckhydraulik
- ↳ Bereifung
- ↳ Zubehör
- ↳ Argon, Argon Classic, Argon III (1993-heute)
- ↳ Wissenswertes
- ↳ Motor
- ↳ Triebwerk
- ↳ Bremse
- ↳ Lenkung
- ↳ Karosserie
- ↳ elektrische Anlage
- ↳ Heckhydraulik
- ↳ Bereifung
- ↳ Zubehör
- ↳ Dorado alle Typen (1995- )
- ↳ Motor
- ↳ Triebwerk
- ↳ Bremse
- ↳ Lenkung
- ↳ Karosserie
- ↳ elektrische Anlage
- ↳ Heckhydraulik
- ↳ Bereifung
- ↳ Zubehör
- ↳ Silver, alle Typen (1995-2013)
- ↳ Wissenswertes
- ↳ Motor
- ↳ Triebwerk
- ↳ Bremse
- ↳ Lenkung
- ↳ Karroserie
- ↳ elektrische Anlage
- ↳ Heckhydraulik
- ↳ Bereifung
- ↳ Zubehör
- ↳ Rubin (1998-2004)
- ↳ Wissenswertes
- ↳ Motor
- ↳ Triebwerk
- ↳ Bremse
- ↳ Lenkung
- ↳ Karosserie
- ↳ elektrische Anlage
- ↳ Heckhydraulik
- ↳ Bereifung
- ↳ Zubehör
- ↳ Raupenschlepper
- ↳ Wissenswertes
- ↳ Motor
- ↳ Triebwerk
- ↳ Bremse
- ↳ Lenkung
- ↳ Karosserie
- ↳ elektrische Anlage
- ↳ Heckhydraulik
- ↳ Bereifung
- ↳ Zubehör
- Lamborghini
- ↳ Wie wird Lamborghini richtig ausgesprochen
- ↳ Lamborghini Acqua Speed 100
- ↳ Wissenswertes
- ↳ Motor
- ↳ Triebwerk
- ↳ Bremse
- ↳ Lenkung
- ↳ Karosserie
- ↳ elektrische Anlage
- ↳ Heckhydraulik
- ↳ Bereifung
- ↳ Zubehör
- ↳ Alle Lamborghini Typen (1948 - 1967)
- ↳ Wissenswertes
- ↳ Motor
- ↳ Triebwerk
- ↳ Bremse
- ↳ Lenkung
- ↳ Karosserie
- ↳ elektrische Anlage
- ↳ Heckhydraulik
- ↳ Bereifung
- ↳ Zubehör
- ↳ R235 (1972 - 1989)
- ↳ Wissenswertes
- ↳ Motor
- ↳ Triebwerk
- ↳ Bremse
- ↳ Lenkung
- ↳ Karosserie
- ↳ elektrische Anlage
- ↳ Heckhydraulik
- ↳ Bereifung
- ↳ Zubehör
- ↳ R503 - R603 (1973-1982) R704 - R804 - R904 (1976-1982)
- ↳ Wissenswertes
- ↳ Motor
- ↳ Triebwerk
- ↳ Bremse
- ↳ Lenkung
- ↳ Karosserie
- ↳ elektrische Anlage
- ↳ Heckhydraulik
- ↳ Bereifung
- ↳ Zubehör
- ↳ 654(77-82) - 754(75-82 - 754(82-85) - 784(80-85) - 854(76-85) - 955(79-85)
- ↳ Wissenswertes
- ↳ Motor
- ↳ Triebwerk
- ↳ Bremse
- ↳ Lenkung
- ↳ Karosserie
- ↳ elektrische Anlage
- ↳ Heckhydraulik
- ↳ Bereifung
- ↳ Zubehör
- ↳ 483 - 583 - 653 - 683 - 684 (1980 - 1985)
- ↳ Wissenswertes
- ↳ Motor
- ↳ Triebwerk
- ↳ Bremse
- ↳ Lenkung
- ↳ Karosserie
- ↳ elektrische Anlage
- ↳ Heckhydraulik
- ↳ Bereifung
- ↳ Zubehör
- ↳ 550 - 660 (1986-1997)
- ↳ Wissenswertes
- ↳ Motor
- ↳ Triebwerk
- ↳ Bremse
- ↳ Lenkung
- ↳ Karosserie
- ↳ elektrische Anlage
- ↳ Heckhydraulik
- ↳ Bereifung
- ↳ Zubehör
- ↳ 600 - 700 (1989 - 1996)
- ↳ Crono 554-50 - 564-60 - 574-70 (1993 - 2001)
- ↳ Wissenswertes
- ↳ Motor
- ↳ Triebwerk
- ↳ Bremse
- ↳ Lenkung
- ↳ Karosserie
- ↳ elektrische Anlage
- ↳ Heckhydraulik
- ↳ Bereifung
- ↳ Zubehör
- ↳ Premium 850 - 950 - 1050 - 1060 (1995 - 2004)
- ↳ Wissenswertes
- ↳ Motor
- ↳ Triebwerk
- ↳ Bremse
- ↳ Lenkung
- ↳ Karosserie
- ↳ elektrische Anlage
- ↳ Heckhydraulik
- ↳ Bereifung
- ↳ Zubehör
- ↳ Crono 70- 80 - 90 - 100 (2017 - )
- ↳ Wissenswertes
- ↳ Motor
- ↳ Triebwerk
- ↳ Bremse
- ↳ Lenkung
- ↳ Karosserie
- ↳ elektrische Anlage
- ↳ Heckhydraulik
- ↳ Bereifung
- ↳ Zubehör
- ↳ R1.30 - R1.55
- ↳ Wissenswertes
- ↳ Motor
- ↳ Triebwerk
- ↳ Bremse
- ↳ Lenkung
- ↳ Karosserie
- ↳ elektrische Anlage
- ↳ Heckhydraulik
- ↳ Bereifung
- ↳ Zubehör
- ↳ R4.85 - R4.110 (2004 - 2009)
- ↳ Wissenswertes
- ↳ Motor
- ↳ Triebwerk
- ↳ Bremse
- ↳ Lenkung
- ↳ Karosserie
- ↳ Elektrische Anlage
- ↳ Heckhydraulik
- ↳ Bereifung
- ↳ Zubehör
- Off-topic
- ↳ Off-topic
- ↳ Vorstellungen
- ↳ Galerie
- ↳ Biete / Suche
- ↳ Biete
- ↳ Suche
- ↳ Termine