Falcon 50 DT - Kugelgelenk Voderachse und Lenkung

Antworten
Corax
Beiträge: 19
Registriert: 9. September 2021, 17:42

Falcon 50 DT - Kugelgelenk Voderachse und Lenkung

Beitrag von Corax »

Hallo liebe SAME-Forianer,

ich hab ein kleines Problem. Mal wieder :roll:

TÜV hat an der Vorderachse und an der Lenkung die Kugelgelenke moniert.
Okay.
Laut ET-Liste wäre ja das passende Teil die Nummer 135.4237.4 - Seite 179 und Seite 153 - für Lenkung und VA
Jetz hab ich mal nach den Nummern gesucht. Nun wird es verwirrend.
Manche Anbieter offerieren welche mit Links - und Rechtsgewinde, manche nur Rechtsgewinde.
Ich habe mal die Lenkstange demontiert und bin der Meinung, dass hier NUR Rechtsgewinde verbaut sind. An beiden Seiten.
Irre ich mich da???? :?:

Wer weiß Rat und kennt die RICHTIGEN ET-Nummern und die Gewinderichtung??

Danke für eure Hilfe

Gruss und Dank

Jürgen
Kurt_TigerSix105
Foren-Administrator
Beiträge: 1327
Registriert: 31. Oktober 2010, 21:51
Wohnort: 57629 Mörsbach Ww.
Kontaktdaten:

Re: Falcon 50 DT - Kugelgelenk Voderachse und Lenkung

Beitrag von Kurt_TigerSix105 »

Hallo Jürgen,
wer viel fragt, geht lang irr :D

Also: 1. Seite 149 des ET Kataloges ist für Hinterradausführung und nicht für Allradausführung.

Was für eine Ausführung ist dein Falcon ?
falcon1.JPG
Falcon2.JPG
2. Seite 154 es ET Kataloges ist für Allradausführung und zwar Bild Nr. 47

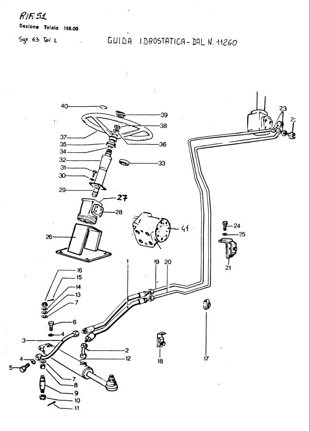
Der Spurstangenkopf 135.4237.4 ist bis Fgnr. 11259 gültig und ohne hydrostatische Lenkung

Der Spurstangenkopf 148.6126.4 ist ab Fgnr. 11260 und für Ausführung mit hydrostatischer Lenkung gültig.
Falcon3.JPG
Falcon4.JPG
Also was hast du für einen Falcon? Fgnr. größer 11259? hydrostatische Lenkung?

Die Zubehörfritzen bieten einfach alles an, weil sie einfach verkaufen wollen. Da überwiegen leider die schwarzen Schafe mittlerweile.

Ich hoffe ich konnte dir helfen.
Viele Gruesse
Kurt

"Bei 99% aller Probleme ist die umfassende Beschreibung des Problems bereits mehr als die Hälfte der Lösung desselben."
Kurt_TigerSix105
Foren-Administrator
Beiträge: 1327
Registriert: 31. Oktober 2010, 21:51
Wohnort: 57629 Mörsbach Ww.
Kontaktdaten:

Re: Falcon 50 DT - Kugelgelenk Voderachse und Lenkung

Beitrag von Kurt_TigerSix105 »

Corax hat geschrieben: 7. April 2025, 22:21
Laut ET-Liste wäre ja das passende Teil die Nummer 135.4237.4 - Seite 179 und Seite 153 - für Lenkung und VA

Jürgen
Hallo Jürgen, das ist natürlich sehr fies :D nachträglich die Seitenzahl von 149 in 179 zu ändern. Aber Moderatoren können fast jedes Geheimnis lösen. ;)

Also für den Spurstangenkopf der Lenkschubstange am Lenkhebel des Lenkgetriebes ist natürlich nur eine Ausführung gültig. Die von dir genannte ET-Nr. 135.4237.4 Und da ist nichts mit Rechts- oder Linksgewinde.

Ich wünsch dir viel Spaß beim Bestellen und Erneuern der Teile.

Ist mit den Kugelgelenken der Vorderachse alles klar?
Viele Gruesse
Kurt

"Bei 99% aller Probleme ist die umfassende Beschreibung des Problems bereits mehr als die Hälfte der Lösung desselben."
Corax
Beiträge: 19
Registriert: 9. September 2021, 17:42

Re: Falcon 50 DT - Kugelgelenk Voderachse und Lenkung

Beitrag von Corax »

Hallo Kurt,
also - ich habe die Seitennummern NICHT nachträglich 🙏

Ich habe den Falcon 50 DT - also den Allrad.

Was mich doch ziemlich verwirrt, dass manche Anbieter eben für die selbe !!!!! Nummer - also die 148.6126.4 - jeweils Links und Rechtsgewinde anbieten.
Mit der selben Nummer :?:

Nächstes Kuriosum: meine FG Nur lautet FAT8752 - da werde ich anahand der oft zitierten FG-Nummern nicht schlau.
Und ich habe eine ganz normale Lenkung, also keine hydrostatische.
Weisst Du, welcher denn nun passt?
der 148.6126.4 oder der 135.4237.4 ???? Doch verwirrend, oder :roll:
Baujahr ist übrigens 1979.
Mann, mann , mann... warum muss immer bei mir alles so kompliziert sein 😳

Danke Kurt. Und nochmals - ich hab die Nummer nicht nachträglich im Text geändert!

Beste Grüsse
Jürgen
Kurt_TigerSix105
Foren-Administrator
Beiträge: 1327
Registriert: 31. Oktober 2010, 21:51
Wohnort: 57629 Mörsbach Ww.
Kontaktdaten:

Re: Falcon 50 DT - Kugelgelenk Voderachse und Lenkung

Beitrag von Kurt_TigerSix105 »

Hallo Jürgen,

mit der Änderung der Seitenzahl lassen wir mal außen vor und konzentrieren uns auf die Ersatzteilliste für den Falcon 50 DT Fgnr. 8752 Baujahr 1979:

Dann legen wir erst mal fest, welche Spurstangenköpfe du erneuern möchtest.

Die Schubstange geht von vorne nach hinten oder hinten nach vorne je nachdem wie du es siehst. Das in Fahrtrichtung hintere Ende ist an dem Lenkhebel der aus dem Lenkgetriebe kommt, angeschraubt. Dieser Spurstangenkopf hat die Ersatzteilenr. 135.4237.4 und zwar für vorne und hinten an dieser Schubstange. Die hydrostatische Lenkung hat natürlich keine Schubstange, weil sie ja hydrostatisch steuert.
Falcon30.JPG
Falcon30Text.JPG
Falconhydrostatica.JPG
Die Lenkstange ist vorne quer eingebaut und verläuft von links nach rechts oder rechts nach links, je nachdem wie du es sehen möchtest. Diese beiden Spurstangenköpfe rechts und links haben die gleiche Ersatzteilnummer 135.4237.4
Falcon47.JPG
Falcon47Text.JPG
Und da sehe ich keinerlei unterschiedliche Gewinde in Bezug auf die Drehrichtung.

Aber das ist alles schon mal erklärt weiter oben. Fazit, du brauchst 4 St. Spurstangenkopf 135.4237.4 und kannst damit jeweils die Lenkstange und die Schubstange neu bestücken. Und das ist gar nicht schwierig.

Und dein ganzes Gedönse mit Rechts- und Linksgewinde interessiert mich erst wenn du mal Roß und Reiter nennst. Vorher mache ich keinen Finger krumm dafür.

Zusatz am 10.4.:
ich weiß auch gar nicht wie man eine Linksgewinde Schraube in ein Innen Rechtsgewinde hineinschrauben will. :o

Gerne weiter fragen falls erforderlich. DAnke dir.
Viele Gruesse
Kurt

"Bei 99% aller Probleme ist die umfassende Beschreibung des Problems bereits mehr als die Hälfte der Lösung desselben."
Corax
Beiträge: 19
Registriert: 9. September 2021, 17:42

Re: Falcon 50 DT - Kugelgelenk Voderachse und Lenkung

Beitrag von Corax »

Hallo Kurt.
Nochmals danke für Deine Hilfe - weiss ich wirklich zu schätzen-

Seltsam ist aber hier, dass ich Dir auf Deinen letzten Beitrag bereits geantwortet hatte und einen Link angefügt hatte,
damit Du vielleicht meine Verwirrung nachvollziehen kannst. Der Beitrag ist WEG !!!!
Egal.
Besten und herzlichen Dank

Viele Grüsse
Jürgen
Antworten

Zurück zu „Lenkung“