Werkstatthandbuch Corsaro Dt

Wenn ihr auf der Suche nach Ersatzteilen seid, bitte hier.
Antworten
Corsaro
Beiträge: 3
Registriert: 15. Juli 2022, 15:28

Werkstatthandbuch Corsaro Dt

Beitrag von Corsaro »

Servus,

Hatte jemand zufällig ein Werkstatthandbuch in Digitaler Form für mich.

LG
Kurt_TigerSix105
Foren-Administrator
Beiträge: 1305
Registriert: 31. Oktober 2010, 21:51
Wohnort: 57629 Mörsbach Ww.
Kontaktdaten:

Re: Werkstatthandbuch Corsaro Dt

Beitrag von Kurt_TigerSix105 »

Servus,

ja, hatte ich.

Gibts auch hier unter diesem Link für 15 EUR.

corsarowhb.JPG
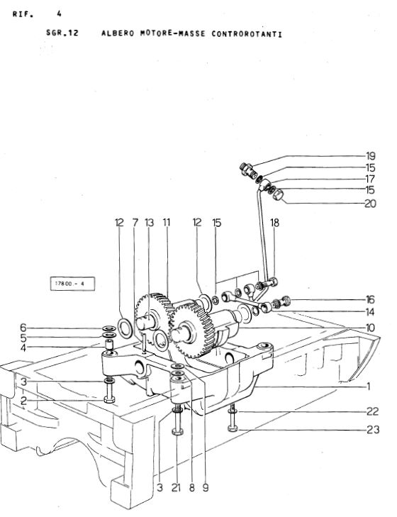
Der Unterschied zwischen Corsaro 70 DT und Corsaro 70 DT Synchro ist, das der Synchro im Motor einen Massenausgleich hat.
corsmassenausgl.JPG
Viele Gruesse
Kurt

"Bei 99% aller Probleme ist die umfassende Beschreibung des Problems bereits mehr als die Hälfte der Lösung desselben."
Corsaro
Beiträge: 3
Registriert: 15. Juli 2022, 15:28

Re: Werkstatthandbuch Corsaro Dt

Beitrag von Corsaro »

Servus Kurt,

Vielen Dank für deine schnelle Antwort.
Könntest du mir die Unterlagen per Dropbox zu Verfügung stellen?

Das würde mich sehr freuen

Viele Grüße.
Kurt_TigerSix105
Foren-Administrator
Beiträge: 1305
Registriert: 31. Oktober 2010, 21:51
Wohnort: 57629 Mörsbach Ww.
Kontaktdaten:

Re: Werkstatthandbuch Corsaro Dt

Beitrag von Kurt_TigerSix105 »

Servus Marcus,

funktioniert der oben angegebene Link nicht?
Viele Gruesse
Kurt

"Bei 99% aller Probleme ist die umfassende Beschreibung des Problems bereits mehr als die Hälfte der Lösung desselben."
Eicke
Beiträge: 110
Registriert: 20. Juni 2020, 21:14
Kontaktdaten:

Re: Werkstatthandbuch Corsaro Dt

Beitrag von Eicke »

Corsaro hat geschrieben: 17. Juli 2022, 22:49 Könntest du mir die Unterlagen per Dropbox zu Verfügung stellen?
du kanst dir die sachen dort kaufen, Kurtz hat sie nicht zuhause.
daher der link zu den büchern.
und 15€ für nen buch ist noch günstig.

@Kurt_TigerSix105

der links funktionirt.

eicke
Same Atlante 2RM (45) Bj 68
Antworten

Zurück zu „Suche“