Hallo ich bin hier neu im Forum und hätte gleich mal eine Frage.
Passt eine Frontladerkonsole von einem Lamborghini 854dt auf einen Same Centurion 75 export?
Frontlader von Lamborghini 854dt auf Centurion
-
Centurion-75
- Beiträge: 20
- Registriert: 2. November 2014, 20:40
Re: Frontlader von Lamborghini 854dt auf Centurion
Hallo,
ja das müsste passen, schließlich sind ja Lamborghini 854 und Same Centurion 75 bzw. Mercury 85 durch den gleichen 4-Zylindermotor (1054P) sehr artverwandt. Die Frontladerkonsole müsste demnach in Sachen Länge des Motorblocks und hoffentlich auch deren Anschlussflansche für einen Frontlader passen. Um die Konsole als passend für den Centurion 75 Export zu identifizieren, empfiehlt sich folgendes: Frontladerkonsole ansehen, Maße abnehmen und zu Hause am Centurion abgleichen. Dann erst kann man sich wirklich sicher sein.
Gruß
Peter
ja das müsste passen, schließlich sind ja Lamborghini 854 und Same Centurion 75 bzw. Mercury 85 durch den gleichen 4-Zylindermotor (1054P) sehr artverwandt. Die Frontladerkonsole müsste demnach in Sachen Länge des Motorblocks und hoffentlich auch deren Anschlussflansche für einen Frontlader passen. Um die Konsole als passend für den Centurion 75 Export zu identifizieren, empfiehlt sich folgendes: Frontladerkonsole ansehen, Maße abnehmen und zu Hause am Centurion abgleichen. Dann erst kann man sich wirklich sicher sein.
Gruß
Peter
-
Kurt_TigerSix105
- Foren-Administrator
- Beiträge: 1327
- Registriert: 31. Oktober 2010, 21:51
- Wohnort: 57629 Mörsbach Ww.
- Kontaktdaten:
Re: Frontlader von Lamborghini 854dt auf Centurion
Hallo Centurion-75,
wenn dein Centurion schon das Getriebe mit 12 Vorwärtsgängen und 3 Rückwärtsgängen hat, dann könnte das sogar identisch mit dem Lamborghini 854 sein.
Was mich ein bißchen stutzig gemacht hat, ist daß bei Konedata erwähnt wird, daß der Leopard länger sein soll als der Centauro, Centurion und Mercury.
wenn dein Centurion schon das Getriebe mit 12 Vorwärtsgängen und 3 Rückwärtsgängen hat, dann könnte das sogar identisch mit dem Lamborghini 854 sein.
Was mich ein bißchen stutzig gemacht hat, ist daß bei Konedata erwähnt wird, daß der Leopard länger sein soll als der Centauro, Centurion und Mercury.
Viele Gruesse
Kurt
"Bei 99% aller Probleme ist die umfassende Beschreibung des Problems bereits mehr als die Hälfte der Lösung desselben."
Kurt
"Bei 99% aller Probleme ist die umfassende Beschreibung des Problems bereits mehr als die Hälfte der Lösung desselben."
-
Centurion-75
- Beiträge: 20
- Registriert: 2. November 2014, 20:40
Re: Frontlader von Lamborghini 854dt auf Centurion
Haben das 8 Vorwärts- und 4 Rückwärtsgängen
Gruß
Julian
Gruß
Julian
Re: Frontlader von Lamborghini 854dt auf Centurion
Ok, fassen wir zusammen,
der Motor ist der selbe, das Getriebe unterscheidet sich vom Lamborghini 854 zum Centurion 75 durch die Ganganzahl (12+3 und 8+4). Die Frage ist jetzt, ob das Getriebegehäuse - und deren Befestigungsbohrungen für die Konsole - das gleiche ist. Wenn ja ist alles gut, wenn nein, müßte man sich halt diverse 20er Bleche zuschneiden, bohren, verschweißen und es damit passend machen.
Es kann aber durchaus sein, dass der Baukasten des Getriebes es erlaubt hat, entweder das 12+3 oder auch das 8+4 in einem gemeinsamen Getriebegehäuse zu realisieren. Der Centurion 75 mit 8+4 Getriebe wurde nur 2 Jahre gebaut, ob das gleiche Gehäuse für 12+3 oder 8+4 hier jemand wirklich sicher bestätigen kann, oder auch nicht ist fraglich. Wenn es das gleiche Getriebegehäuse ist, passt auch die Konsole.
Deswegen empfehle ich weiterhin die Konsole auszumessen und mit den möglichen Anschraubpunkten am Centurion 75 Export zu vergleichen. Natürlich muss man auch prüfen, ob irgendwelche Hebeleien oder dergleichen mit dieser Konsole in Konflikt kommen können.
Grüße
Peter
der Motor ist der selbe, das Getriebe unterscheidet sich vom Lamborghini 854 zum Centurion 75 durch die Ganganzahl (12+3 und 8+4). Die Frage ist jetzt, ob das Getriebegehäuse - und deren Befestigungsbohrungen für die Konsole - das gleiche ist. Wenn ja ist alles gut, wenn nein, müßte man sich halt diverse 20er Bleche zuschneiden, bohren, verschweißen und es damit passend machen.
Es kann aber durchaus sein, dass der Baukasten des Getriebes es erlaubt hat, entweder das 12+3 oder auch das 8+4 in einem gemeinsamen Getriebegehäuse zu realisieren. Der Centurion 75 mit 8+4 Getriebe wurde nur 2 Jahre gebaut, ob das gleiche Gehäuse für 12+3 oder 8+4 hier jemand wirklich sicher bestätigen kann, oder auch nicht ist fraglich. Wenn es das gleiche Getriebegehäuse ist, passt auch die Konsole.
Deswegen empfehle ich weiterhin die Konsole auszumessen und mit den möglichen Anschraubpunkten am Centurion 75 Export zu vergleichen. Natürlich muss man auch prüfen, ob irgendwelche Hebeleien oder dergleichen mit dieser Konsole in Konflikt kommen können.
Grüße
Peter
-
Kurt_TigerSix105
- Foren-Administrator
- Beiträge: 1327
- Registriert: 31. Oktober 2010, 21:51
- Wohnort: 57629 Mörsbach Ww.
- Kontaktdaten:
Re: Frontlader von Lamborghini 854dt auf Centurion
Peter,
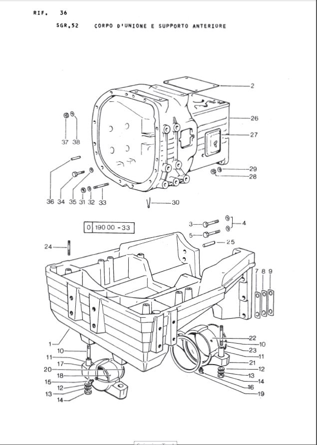
anhand der angehängten Bilder vermute ich, daß das Getriebegehäuse bei den beiden Typen doch stark unterschiedlich ist.
anhand der angehängten Bilder vermute ich, daß das Getriebegehäuse bei den beiden Typen doch stark unterschiedlich ist.
Viele Gruesse
Kurt
"Bei 99% aller Probleme ist die umfassende Beschreibung des Problems bereits mehr als die Hälfte der Lösung desselben."
Kurt
"Bei 99% aller Probleme ist die umfassende Beschreibung des Problems bereits mehr als die Hälfte der Lösung desselben."