Same 360 C Allrad Oldtimer
Re: Same 360 C Allrad Oldtimer
Hallo Forum !
Wie schon oben angekündigt, wollte ich mal über den Einbau einer Lenkunterstützung für meinen Same 360 nach-berichten.
Original war mein SAME 360 nur mit einer rein mechanischen Lenkung ausgerüstet. Im Rahmen der Restauration hatte ich diese Lenkung zerlegt, mit neuen Kugellagern versehen und sie wieder eingestellt. Solange sich der Traktor bewegt, reicht die Lenkung aus. Im Stand ist es aber fast unmöglich damit die Vorderräder zu bewegen, was u.a. auch daran liegt, dass die Vorderräder wegen nicht mehr lieferbarer Größen jetzt auch noch etwas größer sind als original.
In den sechziger Jahren konnte man für den SAME 360 zwar eine Servolenkung bestellen, da sie aber vermutlich ziemlich teuer war, gab es nur sehr wenige Traktoren die damit ausgerüstet wurden. Die Möglichkeit eine gebrauchte Originallenkung zu finden schien deshalb gegen Null zu tendieren.
Außerdem gab es zwei Ausführungen. Die frühe Ausführung hatte eine einzelne Pumpe die vorne auf dem Steuergehäuse montiert wurde. Der dazugehörige Tank saß hinter dem Motor vor dem Armaturenträger. Für das Gestänge der Einspritzpumpe hatte der Tank rechts eine Durchführung in Form eines eingelöteten Röhrchens, was ihn sicherlich extra teuer machte. Als Hydraulikzylinder wurde ein T35 von Calzoni verandt.
Die spätere Ausführung war vom SAME 480 abgeleitet worden. Pumpe und Tank waren jetzt eine Einheit und saßen vorne auf dem Steuergehäuse. Bei dem Hydraulikzylinder handelte es sich um einen Calzoni T 45.31 .
Ich habe etliche hundert Bilder von im Internet vorhandenen SAME 360 und 480. Davon hatten keine 15 eine Servolenkung. Von den 15 hat die Hälfte außerdem abenteuerliche Servolenkungkonstruktionen die mit den originalen Lenkungen auch nur wenig zu tun hatten.
Die Firmen Berokit und AHS bieten aktuell Nachrüstsätze von Calzoni an, die auch soweit es um den Zylinder geht dem Original entsprechen, allerdings sind Pumpe und Tank getrennt und nicht wie beim Original als eine Einheit ausgeführt.
Nach drei Jahren Suche war es dann soweit. In Italien wurde eine gebrauchte Lenkunterstützung eines SAME 480 angeboten, wie sie bei den letzten Baureihen des 360 ebenfalls verwandt wurde. Vor dem Kauf war mir zwar schon klar, dass es einige Anpassungsarbeiten geben würde, was genau auf mich zukam wußte ich aber nicht.
Die Lenkung stammte von der Fa. Mauro Tractors in Italien, die zwar überwiegend mit Fiat Traktorteilen handeln, aber hin und wieder auch schon mal etwas für einen SAME haben. Service und Kommunikation mit der Firma waren gut. Innerhalb von 4 Tagen war die Lenkung mit einer Spedition hier.
Gekauft hatte ich eine Pumpen-Tankeinheit, einen Calzoni T45 Hydraulikzylinder, die hintere Befestigung des Hydraulikzylinders, eine Lenkstange mit hinterem Lenkhebel sowie die vordere Riemenscheibe des Motors mit 3 Rillen. Zylinder und Pumpe waren außerdem noch mit den originalen Schläuchen verbunden.
Schon bei der ersten Inaugenscheinnahme war klar, dass die Lenkung nur mit einigen Anpassungen an meinen SAME 360 passen würde.
Original hat der SAME 360 vorne nur eine Riemenscheibe mit zwei Rillen für Lichtmaschine und Kühlgebläse. Zum Antrieb der Servopumpe war jetzt noch eine dritte Rille vor der Rille des Lichtmaschinen-Keilriemens notwendig. Die Riemenscheibe des 480 hat zwar drei Rillen, allerdings sind die anders angeordnet. Die Rille für die Lichtmaschine befindet sich hinter der Rille für das Kühlgebläse. Außerdem hatte die Scheibe für das Kühlgebläse einen anderen Durchmesser. Somit blieb mir jetzt nur übrig eine neue Riemenscheibe anzufertigen die vorne vor
die Riemenscheibe des 360 passte. Auf der Rückseite musste diese Riemenscheibe eine kreisförmige Nut haben, damit sie nahe genug an die Scheibe des 360 heran kam, da ansonsten der Keilriemen nicht in einer Flucht gelaufen wäre.
Da die neue Riemenscheibe mit der alten zentralen M 41 Schraube der originalen 360 Scheibe befestigt werden sollte, muste die neue Riemenscheibe auch noch von vorne um Einiges ausgedreht werden, da ansonsten die Schraube zu kurz gewesen wäre. Später habe ich die neue Rimenscheibe auch noch mit zwei M10 Schrauben gesichert, die in die vorhandenen Abziehbohrungen der 360 Scheibe gingen.
Das nächste Problem war das vorne am Hydraulikzylinder angebrachte Kugelgelenk, welches die Verbindung zum Lenkhebel der Vorderachse herstellte. Original hat das vordere Kugelgelenk der Lenkstange einen 16/18 mm Konus der von oben in den Lenkhebel eingesteckt wird. Das Kugelgelenk des Hydraulikzylinders hatte aber einen
20/22 mm Konus der von unten eingesteckt werden muss. Außerdem unterschieden sich die hinteren Gewindestangen beider Kugelgelenke erheblich.
Letztendlich kam nur eine Lösung in Frage. Ein neuer Lenkhebel eines 480 musste her.
Nach Abklärung der Maße habe ich den dann wegen “Auslaufmodell” zu einem vernünftigen Preis bei Hözlberger in Österreich bekommen.
Der neue Lenkhebel paßte auch prima auf die Achse und an den Konus des Lenkzylinders, allerdings gab es nun ein weiteres Problem.
An den Achsschenkelbolzen ist der Lenkhebel des 360 C 25 mm hoch. Da der Lenkhebel des 480 aber insgesamt stärker ausgeführt ist, war der an dieser Stelle nun 35 mm hoch, was dazu führte, dass der Achsschenkelbolzen, den ich übrigens gerade gegen einen neuen ersetzt hatte, nun 10 mm zu kurz war. Da diese Bolzen bei SAME aber anscheinend mit Gold aufgewogen werden, habe ich mir auf der Basis der Maße des gerade ersetzten neunen Bolzens einen passenden in meiner örtlichen Lieblingswerkstatt anfertigen lassen. Das haben die dann auch perfekt mit allen Ölnuten und einer professionellen Härtung gemacht und vom Preis lagen sie auch noch unter dem gerade ersetzten kürzeren Bolzen.
Nächstes Problem war der hintere traktorseitige Anschluss des Hydraulikzylinders.
Da es sich beim SAME 480 um einen vierzylindrigen Motor handelt konnte der Hydraulikzylinder mit seiner hinteren Halterung an vorhandene Bohrungen am Motorblock angeschraubt werden. Beim 360, dem der Platz des einen Zylinders fehlte, befindet sich die hintere Halterung aber nun im Bereich der Getriebeglocke. Zwecks Befestigung musste nun eine Halterung angefertigt werden, die an den vorhandenen Bohrungen über den Fußrasten angebracht wurde. Original ist das nur ein winkel-förmiges Flacheisen. Um die Befestigung verwindungssteifer zu machen, habe ich eine 12 mm Stahlplatte genommen, die hinten an den drei Bohrungen über den Fußrasten
verschraubt wurde und vorne auch noch eine Befestigung an den Stehbolzen der Getriebeglocke erhielt.
Um den Hydraulikzylinder und die Pumpe anbringen zu können waren nun alle Probleme gelöst.
Jetzt wurden alle Teile selber gesandstrahlt und anschließend in RAL 7009 lackiert. Alle Verschraubungen und Anschlüsse wurden neu verzinkt. Die alten geschraubten Hydraulikschläuche wurden gengen neue verpresste Schläuche ersetzt.
Der Hydraulikzylinder wurde zerlegt gereinigt und erhielt einen neuen Dichtsatz, der meiner Meinung nach total überteuert ist, da er überwiegend nur aus handelsüblichenO-Ringen bestand. Nur zwei Ringe in dem Dichtsatz sehen aus wie einfache Simmerringe. Da sie aber vermutllich aus einem speziellen Spezialkunststoff !!! bestehen, muss man wohl den Preis bezahlen.
Anmerkung: In den italienischen Ersatzteilisten sind die O-Ringe meisten mit einer italienischen Bezeichnung versehen z.B. OR 114 oder OR 128. Auf der Seite von Maryland Metrics befindet sich die komplette Liste mit den mestrischen Abmessungen dieser O-Ringe.
Vor dem Anbau des Hydraulikzylinders an den Traktor muss man zwei Dinge beachten. Die hintere Befestigung des Zylinders muss so gewählt werden, das der Zylinderkolben sowohl beim Ein- wie beim Ausfahren nie an seine inneren Anschläge stößt. In meinem Fall hieß dies: Der Kolben ist voll ausgefahren 31 cm lang. Mitte ist bei 15,5 cm. Die hintere Befetigung wurde nun so gewählt, das er beim Linkseinschlag nicht mehr wie 29 cm ausfährt und das beim Rechtseinschlag noch ca. 2 cm des Kolbens zu sehen sind, bevor er an die Anschläge der Achse kommt. Damit wird verhindert, dass der Zylinder überansprucht wird.
Ähnlich muss man beim originalen Lenkgetriebe verfahren. Von der unteren Mittelstellung des Lenkhebels aus, kann das Lenkgetriebe ca. 35° nach rechts und links ausschlagen. Dann kommt es aber intern zu einer Verkantung des Lenkgetriebes.
Die Lenkstange, die die Verbindung zwischen Lenkgetriebe und Hydraulikzylinder herstellt, muss nun so gekürzt werden, dass bei ca. 25° beidseitigem Ausschlag des Lenkhebels die Anschläge an der Achse den Weg begrenzen. Dadurch wird das interne Verkanten des Lenkgetriebes verhindert. Die obigen Werte sind nicht ganz genau und
können auch individuell festgelegt werden. Zu beachten ist dabei auch die Stellung des Lenkrades, die man aber durch Umstecken an der Lenkradnabe noch etwas variieren kann. Wegen der großen Vorderräder und da der Hydraulikzylinder parallel zum Motorblock etwas nach außen vorbaut, ist der mögliche Linkseinschlag sowieso geringer als der Rechtseinschlag. Das war aber auch schon ohne Lenkhilfe vorher so, da es beim Linkseinschlag passieren konnte, dass sich das Profil der Vorderräder mit den Kreuzgelenken der außermittig stehenden Kardanwelle verhakte.
Nachdem nun alles an und eingebaut war, ging es an das Einstellen des Hydraulikzylinders. Die Räder werden in Mittelstellung gebracht. Dann muss der vorne am Kolben angebrachte Steuerkopf soweit gedreht werden, dass er in eine Mittelstellung zwischen dem Ein- und Ausfahren des Kolbens einnimmt. Zwischen dem Ende des verchromten Kolbens und dem Steuergehäuse sollte jetzt ein ca. 2 mm breiter Spalt sein.
Im Steuergehäuse befindet sich ein Konusbolzen ähnlich eines Spurstangenbolzens, mit dem der Hydraulikzylinder über die Lenkstange angesteuert wird. Diesen Bolzen kann man mit der Hand leicht nach rechts und links bis zum Anschlag drücken. Das Drücken mit der Hand reicht aber nicht aus um die Lenkung anzusteuern !!!!!!!!! Das Ansteuern der Lenkung geht nur über das Lenkrad und die Schubstange der Lenkung, da der Bolzen in seinem Endanschlag im Steuergehäuse “über die Kante gebrochen” werden muss.
Die Fa. Berokit hatte da einen schönes Beispiel. Man muss es sich so vorstellen als wollte man einen Bleistift über eine Tischkante brechen. Erst wenn man das überstehende Ende richtig nach unten biegt, bewegt sich das auf dem Tisch aufliegende Ende in die entgegengesetzte Richtung.
Da sich in dem Steuerkopf 4 starke Tellerfederscheiben auf der einen Seite und eine starke Spiralfeder auf der anderen Seite befindet, ist schon eine ganz gehörige Kraft notwendig, damit sich die internen Ventile öffnen und den Kolben rein und rausfahren lassen.
Soweit die Theorie. Bis hierhin bin ich auch gekommen. Trotzdem lässt sich mein Hydraulikzylinder noch nicht einwandfrei ansteuern. Werde jetzt noch mal den Steuerkopf auseinandernehmen, da ich gestern von RCD Calzoni eine Zeichnung bekommen habe, die auch ein internes Spiel einer Schubhülse von 1,8 mm +/- 0,05 mm vorsieht. Mal sehen ob dieses Spiel vorhanden ist. Ich bin aber guter Dinge. Vermutlich ist es nur eine Einstellsache, da alle Teile im Zylinder und im Kolben eigentlich gut aussahen.
Als Öl für diese Art von Lenkhilfe empfiehlt Calzoni eine ATF Öl des Typs A .
Für alle die jetzt sagen, dass man das auch hätte billiger machen können. Stimmt !
Hier ging es aber mehr um die Originalität.
Viele Grüße
Cassani
Wie schon oben angekündigt, wollte ich mal über den Einbau einer Lenkunterstützung für meinen Same 360 nach-berichten.
Original war mein SAME 360 nur mit einer rein mechanischen Lenkung ausgerüstet. Im Rahmen der Restauration hatte ich diese Lenkung zerlegt, mit neuen Kugellagern versehen und sie wieder eingestellt. Solange sich der Traktor bewegt, reicht die Lenkung aus. Im Stand ist es aber fast unmöglich damit die Vorderräder zu bewegen, was u.a. auch daran liegt, dass die Vorderräder wegen nicht mehr lieferbarer Größen jetzt auch noch etwas größer sind als original.
In den sechziger Jahren konnte man für den SAME 360 zwar eine Servolenkung bestellen, da sie aber vermutlich ziemlich teuer war, gab es nur sehr wenige Traktoren die damit ausgerüstet wurden. Die Möglichkeit eine gebrauchte Originallenkung zu finden schien deshalb gegen Null zu tendieren.
Außerdem gab es zwei Ausführungen. Die frühe Ausführung hatte eine einzelne Pumpe die vorne auf dem Steuergehäuse montiert wurde. Der dazugehörige Tank saß hinter dem Motor vor dem Armaturenträger. Für das Gestänge der Einspritzpumpe hatte der Tank rechts eine Durchführung in Form eines eingelöteten Röhrchens, was ihn sicherlich extra teuer machte. Als Hydraulikzylinder wurde ein T35 von Calzoni verandt.
Die spätere Ausführung war vom SAME 480 abgeleitet worden. Pumpe und Tank waren jetzt eine Einheit und saßen vorne auf dem Steuergehäuse. Bei dem Hydraulikzylinder handelte es sich um einen Calzoni T 45.31 .
Ich habe etliche hundert Bilder von im Internet vorhandenen SAME 360 und 480. Davon hatten keine 15 eine Servolenkung. Von den 15 hat die Hälfte außerdem abenteuerliche Servolenkungkonstruktionen die mit den originalen Lenkungen auch nur wenig zu tun hatten.
Die Firmen Berokit und AHS bieten aktuell Nachrüstsätze von Calzoni an, die auch soweit es um den Zylinder geht dem Original entsprechen, allerdings sind Pumpe und Tank getrennt und nicht wie beim Original als eine Einheit ausgeführt.
Nach drei Jahren Suche war es dann soweit. In Italien wurde eine gebrauchte Lenkunterstützung eines SAME 480 angeboten, wie sie bei den letzten Baureihen des 360 ebenfalls verwandt wurde. Vor dem Kauf war mir zwar schon klar, dass es einige Anpassungsarbeiten geben würde, was genau auf mich zukam wußte ich aber nicht.
Die Lenkung stammte von der Fa. Mauro Tractors in Italien, die zwar überwiegend mit Fiat Traktorteilen handeln, aber hin und wieder auch schon mal etwas für einen SAME haben. Service und Kommunikation mit der Firma waren gut. Innerhalb von 4 Tagen war die Lenkung mit einer Spedition hier.
Gekauft hatte ich eine Pumpen-Tankeinheit, einen Calzoni T45 Hydraulikzylinder, die hintere Befestigung des Hydraulikzylinders, eine Lenkstange mit hinterem Lenkhebel sowie die vordere Riemenscheibe des Motors mit 3 Rillen. Zylinder und Pumpe waren außerdem noch mit den originalen Schläuchen verbunden.
Schon bei der ersten Inaugenscheinnahme war klar, dass die Lenkung nur mit einigen Anpassungen an meinen SAME 360 passen würde.
Original hat der SAME 360 vorne nur eine Riemenscheibe mit zwei Rillen für Lichtmaschine und Kühlgebläse. Zum Antrieb der Servopumpe war jetzt noch eine dritte Rille vor der Rille des Lichtmaschinen-Keilriemens notwendig. Die Riemenscheibe des 480 hat zwar drei Rillen, allerdings sind die anders angeordnet. Die Rille für die Lichtmaschine befindet sich hinter der Rille für das Kühlgebläse. Außerdem hatte die Scheibe für das Kühlgebläse einen anderen Durchmesser. Somit blieb mir jetzt nur übrig eine neue Riemenscheibe anzufertigen die vorne vor
die Riemenscheibe des 360 passte. Auf der Rückseite musste diese Riemenscheibe eine kreisförmige Nut haben, damit sie nahe genug an die Scheibe des 360 heran kam, da ansonsten der Keilriemen nicht in einer Flucht gelaufen wäre.
Da die neue Riemenscheibe mit der alten zentralen M 41 Schraube der originalen 360 Scheibe befestigt werden sollte, muste die neue Riemenscheibe auch noch von vorne um Einiges ausgedreht werden, da ansonsten die Schraube zu kurz gewesen wäre. Später habe ich die neue Rimenscheibe auch noch mit zwei M10 Schrauben gesichert, die in die vorhandenen Abziehbohrungen der 360 Scheibe gingen.
Das nächste Problem war das vorne am Hydraulikzylinder angebrachte Kugelgelenk, welches die Verbindung zum Lenkhebel der Vorderachse herstellte. Original hat das vordere Kugelgelenk der Lenkstange einen 16/18 mm Konus der von oben in den Lenkhebel eingesteckt wird. Das Kugelgelenk des Hydraulikzylinders hatte aber einen
20/22 mm Konus der von unten eingesteckt werden muss. Außerdem unterschieden sich die hinteren Gewindestangen beider Kugelgelenke erheblich.
Letztendlich kam nur eine Lösung in Frage. Ein neuer Lenkhebel eines 480 musste her.
Nach Abklärung der Maße habe ich den dann wegen “Auslaufmodell” zu einem vernünftigen Preis bei Hözlberger in Österreich bekommen.
Der neue Lenkhebel paßte auch prima auf die Achse und an den Konus des Lenkzylinders, allerdings gab es nun ein weiteres Problem.
An den Achsschenkelbolzen ist der Lenkhebel des 360 C 25 mm hoch. Da der Lenkhebel des 480 aber insgesamt stärker ausgeführt ist, war der an dieser Stelle nun 35 mm hoch, was dazu führte, dass der Achsschenkelbolzen, den ich übrigens gerade gegen einen neuen ersetzt hatte, nun 10 mm zu kurz war. Da diese Bolzen bei SAME aber anscheinend mit Gold aufgewogen werden, habe ich mir auf der Basis der Maße des gerade ersetzten neunen Bolzens einen passenden in meiner örtlichen Lieblingswerkstatt anfertigen lassen. Das haben die dann auch perfekt mit allen Ölnuten und einer professionellen Härtung gemacht und vom Preis lagen sie auch noch unter dem gerade ersetzten kürzeren Bolzen.
Nächstes Problem war der hintere traktorseitige Anschluss des Hydraulikzylinders.
Da es sich beim SAME 480 um einen vierzylindrigen Motor handelt konnte der Hydraulikzylinder mit seiner hinteren Halterung an vorhandene Bohrungen am Motorblock angeschraubt werden. Beim 360, dem der Platz des einen Zylinders fehlte, befindet sich die hintere Halterung aber nun im Bereich der Getriebeglocke. Zwecks Befestigung musste nun eine Halterung angefertigt werden, die an den vorhandenen Bohrungen über den Fußrasten angebracht wurde. Original ist das nur ein winkel-förmiges Flacheisen. Um die Befestigung verwindungssteifer zu machen, habe ich eine 12 mm Stahlplatte genommen, die hinten an den drei Bohrungen über den Fußrasten
verschraubt wurde und vorne auch noch eine Befestigung an den Stehbolzen der Getriebeglocke erhielt.
Um den Hydraulikzylinder und die Pumpe anbringen zu können waren nun alle Probleme gelöst.
Jetzt wurden alle Teile selber gesandstrahlt und anschließend in RAL 7009 lackiert. Alle Verschraubungen und Anschlüsse wurden neu verzinkt. Die alten geschraubten Hydraulikschläuche wurden gengen neue verpresste Schläuche ersetzt.
Der Hydraulikzylinder wurde zerlegt gereinigt und erhielt einen neuen Dichtsatz, der meiner Meinung nach total überteuert ist, da er überwiegend nur aus handelsüblichenO-Ringen bestand. Nur zwei Ringe in dem Dichtsatz sehen aus wie einfache Simmerringe. Da sie aber vermutllich aus einem speziellen Spezialkunststoff !!! bestehen, muss man wohl den Preis bezahlen.
Anmerkung: In den italienischen Ersatzteilisten sind die O-Ringe meisten mit einer italienischen Bezeichnung versehen z.B. OR 114 oder OR 128. Auf der Seite von Maryland Metrics befindet sich die komplette Liste mit den mestrischen Abmessungen dieser O-Ringe.
Vor dem Anbau des Hydraulikzylinders an den Traktor muss man zwei Dinge beachten. Die hintere Befestigung des Zylinders muss so gewählt werden, das der Zylinderkolben sowohl beim Ein- wie beim Ausfahren nie an seine inneren Anschläge stößt. In meinem Fall hieß dies: Der Kolben ist voll ausgefahren 31 cm lang. Mitte ist bei 15,5 cm. Die hintere Befetigung wurde nun so gewählt, das er beim Linkseinschlag nicht mehr wie 29 cm ausfährt und das beim Rechtseinschlag noch ca. 2 cm des Kolbens zu sehen sind, bevor er an die Anschläge der Achse kommt. Damit wird verhindert, dass der Zylinder überansprucht wird.
Ähnlich muss man beim originalen Lenkgetriebe verfahren. Von der unteren Mittelstellung des Lenkhebels aus, kann das Lenkgetriebe ca. 35° nach rechts und links ausschlagen. Dann kommt es aber intern zu einer Verkantung des Lenkgetriebes.
Die Lenkstange, die die Verbindung zwischen Lenkgetriebe und Hydraulikzylinder herstellt, muss nun so gekürzt werden, dass bei ca. 25° beidseitigem Ausschlag des Lenkhebels die Anschläge an der Achse den Weg begrenzen. Dadurch wird das interne Verkanten des Lenkgetriebes verhindert. Die obigen Werte sind nicht ganz genau und
können auch individuell festgelegt werden. Zu beachten ist dabei auch die Stellung des Lenkrades, die man aber durch Umstecken an der Lenkradnabe noch etwas variieren kann. Wegen der großen Vorderräder und da der Hydraulikzylinder parallel zum Motorblock etwas nach außen vorbaut, ist der mögliche Linkseinschlag sowieso geringer als der Rechtseinschlag. Das war aber auch schon ohne Lenkhilfe vorher so, da es beim Linkseinschlag passieren konnte, dass sich das Profil der Vorderräder mit den Kreuzgelenken der außermittig stehenden Kardanwelle verhakte.
Nachdem nun alles an und eingebaut war, ging es an das Einstellen des Hydraulikzylinders. Die Räder werden in Mittelstellung gebracht. Dann muss der vorne am Kolben angebrachte Steuerkopf soweit gedreht werden, dass er in eine Mittelstellung zwischen dem Ein- und Ausfahren des Kolbens einnimmt. Zwischen dem Ende des verchromten Kolbens und dem Steuergehäuse sollte jetzt ein ca. 2 mm breiter Spalt sein.
Im Steuergehäuse befindet sich ein Konusbolzen ähnlich eines Spurstangenbolzens, mit dem der Hydraulikzylinder über die Lenkstange angesteuert wird. Diesen Bolzen kann man mit der Hand leicht nach rechts und links bis zum Anschlag drücken. Das Drücken mit der Hand reicht aber nicht aus um die Lenkung anzusteuern !!!!!!!!! Das Ansteuern der Lenkung geht nur über das Lenkrad und die Schubstange der Lenkung, da der Bolzen in seinem Endanschlag im Steuergehäuse “über die Kante gebrochen” werden muss.
Die Fa. Berokit hatte da einen schönes Beispiel. Man muss es sich so vorstellen als wollte man einen Bleistift über eine Tischkante brechen. Erst wenn man das überstehende Ende richtig nach unten biegt, bewegt sich das auf dem Tisch aufliegende Ende in die entgegengesetzte Richtung.
Da sich in dem Steuerkopf 4 starke Tellerfederscheiben auf der einen Seite und eine starke Spiralfeder auf der anderen Seite befindet, ist schon eine ganz gehörige Kraft notwendig, damit sich die internen Ventile öffnen und den Kolben rein und rausfahren lassen.
Soweit die Theorie. Bis hierhin bin ich auch gekommen. Trotzdem lässt sich mein Hydraulikzylinder noch nicht einwandfrei ansteuern. Werde jetzt noch mal den Steuerkopf auseinandernehmen, da ich gestern von RCD Calzoni eine Zeichnung bekommen habe, die auch ein internes Spiel einer Schubhülse von 1,8 mm +/- 0,05 mm vorsieht. Mal sehen ob dieses Spiel vorhanden ist. Ich bin aber guter Dinge. Vermutlich ist es nur eine Einstellsache, da alle Teile im Zylinder und im Kolben eigentlich gut aussahen.
Als Öl für diese Art von Lenkhilfe empfiehlt Calzoni eine ATF Öl des Typs A .
Für alle die jetzt sagen, dass man das auch hätte billiger machen können. Stimmt !
Hier ging es aber mehr um die Originalität.
Viele Grüße
Cassani
Re: Same 360 C Allrad Oldtimer
Hier noch ein paar Bilder zum Thema Hilfslenkung
Re: Same 360 C Allrad Oldtimer
Noch ein paar Bilder von den unterschiedlichen Lenkhebeln der Vorderachse und den Achsschenkelbolzen
Re: Same 360 C Allrad Oldtimer
Hier nun die letzten Bilder der neuen Hilfslenkung am SAME 360
Re: Same 360 C Allrad Oldtimer
Hallo Forum!
Wollte nur noch mal berichten wie es mit meinem SAME 360 weitergegangen ist.
Lenkung:
Nach einigem Hin und Her funktioniert die Servolenkung jetzt gut und lässt sich auch präzise ansteuern. Zur Begrenzung des Lenkeinschlages auf der linken Seite habe ich auch noch den originalen Anschlag für die Servolenkung nachgebaut, der unterhalb des Anlassers an der Kupplungsglocke angeschraubt wird und mittels einer verstellbaren Schraube den Weg des Lenkhebels nach vorne begrenzt. Rechts wird der Lenkeinschlag durch die serienmäßigen Nocken an der Vorderachse begrenzt.
Bei den ersten Probefahrten mit dem Traktor wurde dann aber deutlich, dass noch ziemlich viel Spiel in der Lenkung war und ich den Geradeauslauf ständig korrigieren musste. Ohne Servolenkung wäre das vielleicht akzeptabel gewesen, aber mit war das echt nervig.
Als Übeltäter konnte das von mir schon einmal überholte, originale Lenkgetriebe identifiziert werden.
Anmerkung:
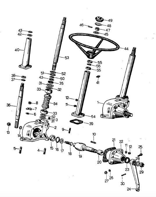
Beim 360 wurden zwei unterschiedliche Lenkgetriebe verwandt. Das Getriebe an sich ist identisch. Der Unterschied liegt in der Länge der Lenksäulen, was äußerlich an den Abständen des Lenkrades zum Armaturenträger zu erkennen ist. Die erste Serie hatte die vom DA 47 übernommene kurze Lenksäule aus Gusseisen. Bei den späteren Serien wurde dann nur noch ein simples, aber längeres Rohr als Lenksäule verwendet.
Zur Verdeutlichung wie das Lenkgetriebe aufgebaut ist, füge ich zwei Schema-Zeichnungen bei.
Oberhalb und unterhalb der Lenkschnecke befinden sich zwei Kegelrollenlager mit denen die Schnecke einerseits mittig im Gehäuse gehalten wird und die andererseits für einen leichten Lauf der Lenkung sorgen sollen. Eingestellt werden diese Lager durch die Unterlage von Paßscheiben nach DIN 988, die es in allen möglichen Größen und Stärken gibt.
Zur Berechnung wieviel Passcheiben unter die Lagerschalen müssen, sollen mit einer analogen Schieblehre ( digital geht aber auch ) diverse Maße am Getriebegehäuse und der Lenkradwelle abgenommen und dann nach einer Formel aus dem WHB bestimmt werden.
Kleine Annekdote:
Durch einen Vorbesitzer des Traktors in Italien wurde das Lenkgetriebe offensichtlich auch schon einmal geöffnet und neu justiert. Da man dort aber keine Paßscheiben nach DIN hatte, wurde aus einer Olivenöldose eine passende Scheibe ausgeschnitten und eingebaut. Erfinderisch muss man halt sein !!!
Die Berechnung der Paßscheiben gemäß der Formel ist aber nur dann okay, wenn die Einstellung gleich beim ersten Mal klappt. Klemmt die Lenkung anschließend, muss gemäß WHB insbesondere die untere Lagerschale mit einem Spezialwerkzeug wieder aus ihrem Sitz geholt und durch Zugabe oder Wegnahme von Scheiben neu justiert werden.
In Ermangelung einers solchen Spezialwerkzeuges und in der Annahme das die untere Lagerschale nur mit diesem Werkzeug wieder ausgebaut werden kann, hatte ich bei der ersten Überholung darauf verzichtet sie noch einmal aus ihrem Sitz zu holen, was sich später durch zuviel Spiel rächte.
Da ich bei der anstehenden TÜV-Abnahme mit einer möglichst spielfreien Lenkung glänzen wollte, reifte so langsam der Entschluss die Lenkung nochmals einzustellen.
Dazu mussten aber zunächst der Armaturenträger mit der daran befindlichen Motorhaube wieder abgebaut werden. Das klingt einfach, war aber doch ziemlich aufwendig, zumal sich in und am Armaturenträger noch ziemlich viel Elektrik, das Gasgestänge sowie das Hydraulikgestänge befand. Eine Herausforderung war es auch den außen befindlichen Lenkhebel wieder von seiner konischen Verzahnung der Lenkrollenwelle zu bekommen und bei der ganzen Aktion möglischt den neuen Lack nicht zu zerkratzen.
Zu meiner großen Erleichterung habe ich dann aber festgestellt, dass die untere Lagerschale relativ lose in ihrem Sitz lag und mittels eines u-förmig gebogenen Drahtes mit kleinen Haken an den unteren Enden immer wieder herausgepult werden konnte.
Nachdem ich ca. zwanzig Mal die komplette Lenkung auseinander und mit mehr oder weniger Passcheiben wieder zusammengebaut hatte, gelang dann die perfekte Einstellung. Der Geradeauslauf auch bei Vollgas ist jetzt super und ein Nachkorrigieren
ist nicht mehr notwendig.
Im Nachhinein gesehen bin ich froh diese Einstellung nochmals vorgenommen zu haben.
Wollte nur noch mal berichten wie es mit meinem SAME 360 weitergegangen ist.
Lenkung:
Nach einigem Hin und Her funktioniert die Servolenkung jetzt gut und lässt sich auch präzise ansteuern. Zur Begrenzung des Lenkeinschlages auf der linken Seite habe ich auch noch den originalen Anschlag für die Servolenkung nachgebaut, der unterhalb des Anlassers an der Kupplungsglocke angeschraubt wird und mittels einer verstellbaren Schraube den Weg des Lenkhebels nach vorne begrenzt. Rechts wird der Lenkeinschlag durch die serienmäßigen Nocken an der Vorderachse begrenzt.
Bei den ersten Probefahrten mit dem Traktor wurde dann aber deutlich, dass noch ziemlich viel Spiel in der Lenkung war und ich den Geradeauslauf ständig korrigieren musste. Ohne Servolenkung wäre das vielleicht akzeptabel gewesen, aber mit war das echt nervig.
Als Übeltäter konnte das von mir schon einmal überholte, originale Lenkgetriebe identifiziert werden.
Anmerkung:
Beim 360 wurden zwei unterschiedliche Lenkgetriebe verwandt. Das Getriebe an sich ist identisch. Der Unterschied liegt in der Länge der Lenksäulen, was äußerlich an den Abständen des Lenkrades zum Armaturenträger zu erkennen ist. Die erste Serie hatte die vom DA 47 übernommene kurze Lenksäule aus Gusseisen. Bei den späteren Serien wurde dann nur noch ein simples, aber längeres Rohr als Lenksäule verwendet.
Zur Verdeutlichung wie das Lenkgetriebe aufgebaut ist, füge ich zwei Schema-Zeichnungen bei.
Oberhalb und unterhalb der Lenkschnecke befinden sich zwei Kegelrollenlager mit denen die Schnecke einerseits mittig im Gehäuse gehalten wird und die andererseits für einen leichten Lauf der Lenkung sorgen sollen. Eingestellt werden diese Lager durch die Unterlage von Paßscheiben nach DIN 988, die es in allen möglichen Größen und Stärken gibt.
Zur Berechnung wieviel Passcheiben unter die Lagerschalen müssen, sollen mit einer analogen Schieblehre ( digital geht aber auch ) diverse Maße am Getriebegehäuse und der Lenkradwelle abgenommen und dann nach einer Formel aus dem WHB bestimmt werden.
Kleine Annekdote:
Durch einen Vorbesitzer des Traktors in Italien wurde das Lenkgetriebe offensichtlich auch schon einmal geöffnet und neu justiert. Da man dort aber keine Paßscheiben nach DIN hatte, wurde aus einer Olivenöldose eine passende Scheibe ausgeschnitten und eingebaut. Erfinderisch muss man halt sein !!!
Die Berechnung der Paßscheiben gemäß der Formel ist aber nur dann okay, wenn die Einstellung gleich beim ersten Mal klappt. Klemmt die Lenkung anschließend, muss gemäß WHB insbesondere die untere Lagerschale mit einem Spezialwerkzeug wieder aus ihrem Sitz geholt und durch Zugabe oder Wegnahme von Scheiben neu justiert werden.
In Ermangelung einers solchen Spezialwerkzeuges und in der Annahme das die untere Lagerschale nur mit diesem Werkzeug wieder ausgebaut werden kann, hatte ich bei der ersten Überholung darauf verzichtet sie noch einmal aus ihrem Sitz zu holen, was sich später durch zuviel Spiel rächte.
Da ich bei der anstehenden TÜV-Abnahme mit einer möglichst spielfreien Lenkung glänzen wollte, reifte so langsam der Entschluss die Lenkung nochmals einzustellen.
Dazu mussten aber zunächst der Armaturenträger mit der daran befindlichen Motorhaube wieder abgebaut werden. Das klingt einfach, war aber doch ziemlich aufwendig, zumal sich in und am Armaturenträger noch ziemlich viel Elektrik, das Gasgestänge sowie das Hydraulikgestänge befand. Eine Herausforderung war es auch den außen befindlichen Lenkhebel wieder von seiner konischen Verzahnung der Lenkrollenwelle zu bekommen und bei der ganzen Aktion möglischt den neuen Lack nicht zu zerkratzen.
Zu meiner großen Erleichterung habe ich dann aber festgestellt, dass die untere Lagerschale relativ lose in ihrem Sitz lag und mittels eines u-förmig gebogenen Drahtes mit kleinen Haken an den unteren Enden immer wieder herausgepult werden konnte.
Nachdem ich ca. zwanzig Mal die komplette Lenkung auseinander und mit mehr oder weniger Passcheiben wieder zusammengebaut hatte, gelang dann die perfekte Einstellung. Der Geradeauslauf auch bei Vollgas ist jetzt super und ein Nachkorrigieren
ist nicht mehr notwendig.
Im Nachhinein gesehen bin ich froh diese Einstellung nochmals vorgenommen zu haben.
Re: Same 360 C Allrad Oldtimer
TÜV-Abnahme
Um es noch einmal in Erinnerung zu bringen, mein Traktor ist ein Eigenimport aus Italien. Bei der Überführung von Italien nach Deutschland ist kein Zoll angefallen, da es sich um einen EG-Import handelt. Auf der Hinfahrt bin ich über die Schweiz nach Italien gefahren. Auf der Rückfahrt habe ich die Route über Österreich genommen, da ich ansonsten für die Schweiz Transitpapiere gebraucht hätte.
Der Traktor besaß einen italienischen Brief und eine italienische Abmeldebescheinigung des Erstbesitzers die aus den achtziger Jahren stammte. Der Zweitbesitzer und jetzige Verkäufer des Traktors hatte das Fahrzeug seit seinem Erwerb in seinem kleinen Bergdorf immer ohne gültige Zulassung benutzt. Sein Name tauchte in den Papieren nirgendwo auf.
Vor dem Kauf hatte ich schon hier in Deutschland einen Kaufvertrag mit unseren beiden Namen, den Daten des Traktors sowie einer Bestätigung des Verkäufers, dass er bisher der rechtmäßige Eigentümer des Traktor war, aufgesetzt. In Italien haben wir dann beide den Kaufvertrag unterschrieben. Das Original habe ich behalten, eine Kopie habe ich dem Verkäufer gegeben. Bei der späteren Zulassung ist der Kaufvertrag extrem wichtig!!!
Eine Vollabnahme zur Erlangung eines deutschen Fahrzeugbriefes ist nur beim TÜV nicht aber bei der DEKRA oder der KUS möglich. Obwohl eine TÜV-Prüfstelle im Nachbarort vorhanden ist, rieten mir fachkundige Leute den im 42 km entfernten Aachen befindlichen TÜV-mit der Prüfung zu beauftragen, da dort Spezialisten für derartige Fahrzeuge vorhanden sind.
Für die Fahrt nach Aachen habe ich ein Kurzzeitkennzeichen benutzt. Bis vor einiger Zeit wurden diese Kennzeichen mehr oder weniger auf Zuruf durch die Straßenverkehrs-ämter aber auch durch freie Händler ausgegeben. Den dazugehörigen kleinen roten Pappfahrzeugschein konnte man ausfüllen oder nicht. In vielen Fällen wurden fiktive Halter eingetragen ( z.B. Micky Maus mit Wohnort in Disneyland ) Ebenfalls spielte es keine Rolle ob das Fahrzeug einen gültigen TÜV hatte. Da durch diese Verfahrensweise
dem Missbrauch Tür und Tor geöffnet war, gibt es die Kurzzeitkennzeichen jetzt nur noch für Fahrzeuge deren Identität feststeht und die einen gültigen TÜV haben. Hat das Fahrzeug wie in meinem Fall noch keinen TÜV, wird im Fahrzeugschein vermerkt dass nur Fahrten zur TÜV-Prüfstelle bzw. Fahrten die im Zusammenhang mit der TÜV-Abnahme erforderlich sind ( z.B. Fahrten zu einer Waage) erlaubt sind. Die Daten des Fahrzeuges ( FIN ) und des Halters werden jetzt durch das Straßenverkerhsamt in eine normale Zulassungsbescheinigung ( ZB1 ) eingetragen. Das Kurzzeitkennzeichen und die dazugehörige ZB1 wurden durch das Straßenverkehrsamt bei der endgültigen Zulassung des Fahrzeuges wieder eingezogen.
Wichtig ist auch noch, dass man für das Kurzzeitkennzeichen und für die spätere endgültige Zulassung von der Versicherung jeweils eine gesonderte elektronische VB-Nummer haben muss. Die Nummer kann man bei seiner Versicherung telefonisch anfordern. Wichtig ist, dass man bei der Anforderung sagt wofür man sie haben will ( Kurzeitkennzeichen oder endgültige Zulassung ), da es ansonsten beim Straßenverkehrsamt Probleme gibt.
Nur der Vollständigkeit halber: Ein in Deutschland bereits zugelassenes aber vorübergehend stillgelegtes Fahrzeug kann man auch ohne Kurzzeitkennzeichen zum TÜV fahren. In diesem Fall wird dann das alte, entstempelte !!! Kennzeichen benutzt über das der Halter auch zu identifizieren ist. Versichert sein muss das Fahrzeug aber in jedem Fall.
Vorab hatte ich schon den zuständigen TÜV- Prüfer kontaktiert, der mir riet neben den Fahrzeugpapieren auch eventuell vorhandene Prospekte und Betriebsanleitungen mitzubringen, damit gegebenenfalls fehlende Daten daraus entnommen werden konnten.
Zum vereinbarten Abnahmetermin habe ich mich dann um 05:00 Uhr morgens im leichten Nieselregen und auf Nebenstraßen unter Umgehung des Berufsverkehrs nach Aachen zur dortigen TÜV-Prüfstelle aufgemacht.
Neben den bereits oben erwähnten Fahrzeugpapieren, Prospekten und Betriebsanleitungen hatte ich auch noch meinen Laptop mit ca. 1700 Fotos der Restauration dabei, falls der Nachweis irgendwelcher durchgeführten Arbeiten erforderlich gewesen wäre.
Um es kurz zu machen, die eigentliche Abnahme hat keine 15 Minuten gedauert. Die meiste Zeit ging nachher für die Eintragung der Daten in das Gutachten drauf.
Nachdem ich dem Prüfer erklärt hatte, was ich alles an den Achsen, den Bremsen und der Lenkung erneuert hatte, war er der Meinung dass es dann da ja nichts mehr zu prüfen gäbe. Zur Prüfung der Bremsleistung hat er mich noch jeweils 10 m vor und zurück fahren und jedesmal bremsen lassen.
Überprüft wurde auch die Funktion der Beleuchtungsanlage, der Blinker und der Hupe. Positiv zur Kenntnis genommen wurde, das die Frontscheinwerfer neue sealed Beam Einsätze hatten, die Blinker, die Rückleuchten und alle Schalter im Armaturenbrett neu waren und der Traktor jetzt auch eine Warnblinkanlage hatte.
Als Rückleuchten habe ich die kleinen Hella Zweikammer-Leuchten Nr. 100001 mit der Blink/Bremskombination montiert, die ebenfalls kein Problem darstellten.
Original hatte der Traktor in Italien weder Blinker noch ein Bremslicht und schon gar keine Warnblinkanlage. Hinten gab es nur billige Rückleuchten.
Da der Traktor nur maximal 25 km/ h schnell ist ( ich schwör’s !!!!! ), sind auch die italienischen Kotflügel ok. Eine komplette Abdeckung der Räder ist erst ab 25 km/h notwendig.
Laut italienischem Brief hat der Traktor eine Zugleistung von 50 Quintale ( gleich 50 Doppelzentner bzw. 5000 kg ) Ob damit das zulässige Gesamtgewicht gemeint ist, konnte mir der TÜV-Prüfer auch nicht beantworten. Wir haben uns dann darauf geeinigt, dass er ein zulässiges Gesamtgewicht von 3000 kg hat.
Überprüft wurde auch die Identität des Traktors anhand der Fahrgestellnummer am Vorderachsträger, die nummerngleich mit der Motornummer war. Beide Nummern hatte ich farblich abgesetzt, damit sei deutlich sichtbar waren.
Original hatte der Traktor in Italien kein Typenschild. Da ich vor der TÜV-Abnahme z.B. auch nicht wusste welches Gesamtgewicht und welche Hinterachslast der Traktor haben würde, bin ich ohne ein solches Typenschild zum TÜV gefahren, was aber auch kein Problem war. Nachdem ich jetzt alle Daten habe, werde ich mir ein Typenschild in der alten Form ( SAME-CASSANI - Treviglio ) anfertigen lassen.
Die ganze Aktion hat jetzt ca. 30 Euro für das Kurzeitkennzeichen ( STVA und Kennzeichen ) 135 Euro für die TÜV-Abnahme und ca. 80 Euro für die endgültige Abnahme ( STVA und Kennzeichen ) gekostet. Ein Witz ist, dass die 2 Kurzzeitkennzeichen nur 16 Euro kosten, während die beiden endgültigen kleinen Traktorkennzeichen mit 44 Euro zu Buche schlagen.
Um es noch einmal in Erinnerung zu bringen, mein Traktor ist ein Eigenimport aus Italien. Bei der Überführung von Italien nach Deutschland ist kein Zoll angefallen, da es sich um einen EG-Import handelt. Auf der Hinfahrt bin ich über die Schweiz nach Italien gefahren. Auf der Rückfahrt habe ich die Route über Österreich genommen, da ich ansonsten für die Schweiz Transitpapiere gebraucht hätte.
Der Traktor besaß einen italienischen Brief und eine italienische Abmeldebescheinigung des Erstbesitzers die aus den achtziger Jahren stammte. Der Zweitbesitzer und jetzige Verkäufer des Traktors hatte das Fahrzeug seit seinem Erwerb in seinem kleinen Bergdorf immer ohne gültige Zulassung benutzt. Sein Name tauchte in den Papieren nirgendwo auf.
Vor dem Kauf hatte ich schon hier in Deutschland einen Kaufvertrag mit unseren beiden Namen, den Daten des Traktors sowie einer Bestätigung des Verkäufers, dass er bisher der rechtmäßige Eigentümer des Traktor war, aufgesetzt. In Italien haben wir dann beide den Kaufvertrag unterschrieben. Das Original habe ich behalten, eine Kopie habe ich dem Verkäufer gegeben. Bei der späteren Zulassung ist der Kaufvertrag extrem wichtig!!!
Eine Vollabnahme zur Erlangung eines deutschen Fahrzeugbriefes ist nur beim TÜV nicht aber bei der DEKRA oder der KUS möglich. Obwohl eine TÜV-Prüfstelle im Nachbarort vorhanden ist, rieten mir fachkundige Leute den im 42 km entfernten Aachen befindlichen TÜV-mit der Prüfung zu beauftragen, da dort Spezialisten für derartige Fahrzeuge vorhanden sind.
Für die Fahrt nach Aachen habe ich ein Kurzzeitkennzeichen benutzt. Bis vor einiger Zeit wurden diese Kennzeichen mehr oder weniger auf Zuruf durch die Straßenverkehrs-ämter aber auch durch freie Händler ausgegeben. Den dazugehörigen kleinen roten Pappfahrzeugschein konnte man ausfüllen oder nicht. In vielen Fällen wurden fiktive Halter eingetragen ( z.B. Micky Maus mit Wohnort in Disneyland ) Ebenfalls spielte es keine Rolle ob das Fahrzeug einen gültigen TÜV hatte. Da durch diese Verfahrensweise
dem Missbrauch Tür und Tor geöffnet war, gibt es die Kurzzeitkennzeichen jetzt nur noch für Fahrzeuge deren Identität feststeht und die einen gültigen TÜV haben. Hat das Fahrzeug wie in meinem Fall noch keinen TÜV, wird im Fahrzeugschein vermerkt dass nur Fahrten zur TÜV-Prüfstelle bzw. Fahrten die im Zusammenhang mit der TÜV-Abnahme erforderlich sind ( z.B. Fahrten zu einer Waage) erlaubt sind. Die Daten des Fahrzeuges ( FIN ) und des Halters werden jetzt durch das Straßenverkerhsamt in eine normale Zulassungsbescheinigung ( ZB1 ) eingetragen. Das Kurzzeitkennzeichen und die dazugehörige ZB1 wurden durch das Straßenverkehrsamt bei der endgültigen Zulassung des Fahrzeuges wieder eingezogen.
Wichtig ist auch noch, dass man für das Kurzzeitkennzeichen und für die spätere endgültige Zulassung von der Versicherung jeweils eine gesonderte elektronische VB-Nummer haben muss. Die Nummer kann man bei seiner Versicherung telefonisch anfordern. Wichtig ist, dass man bei der Anforderung sagt wofür man sie haben will ( Kurzeitkennzeichen oder endgültige Zulassung ), da es ansonsten beim Straßenverkehrsamt Probleme gibt.
Nur der Vollständigkeit halber: Ein in Deutschland bereits zugelassenes aber vorübergehend stillgelegtes Fahrzeug kann man auch ohne Kurzzeitkennzeichen zum TÜV fahren. In diesem Fall wird dann das alte, entstempelte !!! Kennzeichen benutzt über das der Halter auch zu identifizieren ist. Versichert sein muss das Fahrzeug aber in jedem Fall.
Vorab hatte ich schon den zuständigen TÜV- Prüfer kontaktiert, der mir riet neben den Fahrzeugpapieren auch eventuell vorhandene Prospekte und Betriebsanleitungen mitzubringen, damit gegebenenfalls fehlende Daten daraus entnommen werden konnten.
Zum vereinbarten Abnahmetermin habe ich mich dann um 05:00 Uhr morgens im leichten Nieselregen und auf Nebenstraßen unter Umgehung des Berufsverkehrs nach Aachen zur dortigen TÜV-Prüfstelle aufgemacht.
Neben den bereits oben erwähnten Fahrzeugpapieren, Prospekten und Betriebsanleitungen hatte ich auch noch meinen Laptop mit ca. 1700 Fotos der Restauration dabei, falls der Nachweis irgendwelcher durchgeführten Arbeiten erforderlich gewesen wäre.
Um es kurz zu machen, die eigentliche Abnahme hat keine 15 Minuten gedauert. Die meiste Zeit ging nachher für die Eintragung der Daten in das Gutachten drauf.
Nachdem ich dem Prüfer erklärt hatte, was ich alles an den Achsen, den Bremsen und der Lenkung erneuert hatte, war er der Meinung dass es dann da ja nichts mehr zu prüfen gäbe. Zur Prüfung der Bremsleistung hat er mich noch jeweils 10 m vor und zurück fahren und jedesmal bremsen lassen.
Überprüft wurde auch die Funktion der Beleuchtungsanlage, der Blinker und der Hupe. Positiv zur Kenntnis genommen wurde, das die Frontscheinwerfer neue sealed Beam Einsätze hatten, die Blinker, die Rückleuchten und alle Schalter im Armaturenbrett neu waren und der Traktor jetzt auch eine Warnblinkanlage hatte.
Als Rückleuchten habe ich die kleinen Hella Zweikammer-Leuchten Nr. 100001 mit der Blink/Bremskombination montiert, die ebenfalls kein Problem darstellten.
Original hatte der Traktor in Italien weder Blinker noch ein Bremslicht und schon gar keine Warnblinkanlage. Hinten gab es nur billige Rückleuchten.
Da der Traktor nur maximal 25 km/ h schnell ist ( ich schwör’s !!!!! ), sind auch die italienischen Kotflügel ok. Eine komplette Abdeckung der Räder ist erst ab 25 km/h notwendig.
Laut italienischem Brief hat der Traktor eine Zugleistung von 50 Quintale ( gleich 50 Doppelzentner bzw. 5000 kg ) Ob damit das zulässige Gesamtgewicht gemeint ist, konnte mir der TÜV-Prüfer auch nicht beantworten. Wir haben uns dann darauf geeinigt, dass er ein zulässiges Gesamtgewicht von 3000 kg hat.
Überprüft wurde auch die Identität des Traktors anhand der Fahrgestellnummer am Vorderachsträger, die nummerngleich mit der Motornummer war. Beide Nummern hatte ich farblich abgesetzt, damit sei deutlich sichtbar waren.
Original hatte der Traktor in Italien kein Typenschild. Da ich vor der TÜV-Abnahme z.B. auch nicht wusste welches Gesamtgewicht und welche Hinterachslast der Traktor haben würde, bin ich ohne ein solches Typenschild zum TÜV gefahren, was aber auch kein Problem war. Nachdem ich jetzt alle Daten habe, werde ich mir ein Typenschild in der alten Form ( SAME-CASSANI - Treviglio ) anfertigen lassen.
Die ganze Aktion hat jetzt ca. 30 Euro für das Kurzeitkennzeichen ( STVA und Kennzeichen ) 135 Euro für die TÜV-Abnahme und ca. 80 Euro für die endgültige Abnahme ( STVA und Kennzeichen ) gekostet. Ein Witz ist, dass die 2 Kurzzeitkennzeichen nur 16 Euro kosten, während die beiden endgültigen kleinen Traktorkennzeichen mit 44 Euro zu Buche schlagen.
Re: Same 360 C Allrad Oldtimer
Bisherige Erfahrungen mit dem SAME 360
Die Fahrt zum TÜV war die erste größere Fahrt mit dem Traktor. Als ich wieder nach Hause kam, stellte ich einen größeren Ölverlust fest. Es handelte sich um Motorenöl welches unter den Luftleitblechen an den Zylinderfüßen heraus kam. Da es sich bei der austretenden Menge nicht um Spritzöl sondern um Öl handeln musste, welches mit Druck austritt, bin ich nach dem Studium einer Zeichung der am Motor vorhandenen Ölleitungen drauf gekommen, das dafür vermutlich eine links unter dem Kühlgebläse
vorhandene ca. 20 cm lange Rohrleitung verantwortlich ist, die oben außen auf dem Motorblock verläuft. Diese Leitung ist mittels Hohlschrauben und Ringösen am Block verschraubt. Für die Abdichtung der Leitung wurden Kupferdichtringe verwandt.
Nach Abbau des Kühlgebläses war dann klar, dass das Öl aus den Verschraubungen dieser Leitung kam. Also Leitung abgeschraubt und mit neuen Kupferdichtungen und unter Verwendung eines Dichtmittels für Hydraulik-Verschraubungen wieder montiert.
Nachdem ich den Motor 20 Minuten hatte laufen lassen und alles dicht war, wurde das Kühlgebläse wieder montiert. Nach einer weiteren Probefahrt war dann aber klar, dass die Verschraubungen immer noch Öl raus ließen.
Ich weiß, dass man Kupferdichtungen zwecks besserer Dichtigkeit ausglühen kann. Da mir aber die Idee kam, dass man auch die bei Hydraulikverschraubungen üblichen Idisit-Dichtungen verwenden könnte. ( Das sind Metall-Dichtungen mit einem anvulkanisierten Gummidichtring) bin ich zum örtlichen Mercedes-LKW Händler gefahren, da die dort auch eine Hydraulikabteilung haben. Nach Schilderung meines Problems, wurde mir geraten Alu-Dichtringe zu verwenden, da diese sich besser anziehen lassen. Das habe ich dann auch getan und seitdem ist alles dicht. Hat jemand dazu einschlägige Erfahrungen ?
Zum Thema Anzugsdrehmoment der Radschrauben gibt es hier auch schon einen Beitrag. Da ich bislang aber immer noch keine konkreten Werte habe, habe ich die Radschrauben mal mit 210 Nm angezogen, da dies der normale Drehmomentschlüssel hergibt. Nach der letzten Fahrt zu einem ca. 30 km entfernten Traktortreffen, haben sich hinten alle Radmuttern gelöst. Jetzt habe ich sie mit 300 Nm angezogen. Bisher sind sie fest geblieben. Neben dem anfänglich zu geringen Anzugsdrehmoment kann für das Lösen der Schrauben aber auch der an den Felgen befindliche Lack verantwortlich gewesen sein.
Der Motor als Direkteinspritzer und ohne jegliche Vorglüheinrichtung springt auf den ersten Schlag an und läuft gut. Der Öldruck ist immer im grünen Bereich. Wenn der Motor warm ist beträgt die Öltemperatur 85° Grad. Einen Ölverbrauch konnte ich bisher nicht feststellen. Der Sound des 3 Zylinder ist gewaltig. Obwohl der TÜV-Prüfer der Meinung war, dass der Traktor gar nicht so laut sei, hört im Dorf jeder wenn ich das Ding starte. Das Fahren mit dem Traktor macht Spaß. An das Schalten mit der linken Hand gewöhnt man sich auch schnell.
Im Verhältnis zu meinem Ferguson muss ich allerdings sagen, dass der von der Arbeitsplatz-Ergonomie deutlich besser ist. Das Auf- und Absteigen auf den SAME, egal von der Seite oder von hinten, artet jedesmal in eine Kletterei aus. Mit Schuhgröße 46 ist es auch nicht ganz leicht erst mal seine Füße unterzubringen. Befindet man sich dann aber im Sitz, ist es recht bequem.
Ein Konstruktionsfehler ist das Fußpedal für das Gas. Das Pedal befindet sich unter den Bremspedalen. Zunächst einmal ist es schwierig mit dem Schuh unter das Bremspedal auf das Gaspedal zu gelangen. Ist man einmal drauf, ist der Fuß aber in einer unkomfortabelen Lage. Die Lage des Fußes wird etwas besser, wenn man sich hinten auf dem Mittelteil des Amplitorque-Pedals ( kleine Gruppe) abstützt. Allerdings muss man aufpassen, dass man dann nicht versehentlich die kleine Gruppe einschaltet.
Da man auch wenig Kontrolle über seinen Gasfuß hat, werden beim Überfahren von Bodenwellen die Stöße an den Gasfuß weitergegeben, wodurch es zu einem “ holprigen”Gasgeben kommt, was dann auch akustisch deutlich wahrzunehmen ist.
Zum Stoppen des Motors muss das Gaspedal mit dem Fuß nach oben gedrückt werden.
Steht man am Berg und muss gleichzeitig bremsen, ist es unmöglich das Gaspedal nach oben zu drücken und den Motor zu stoppen.
In Ermangelung einer vernünftigen Abstelleinrichtung haben die SAME-Ingenieure einfach eine Art Nippel auf das Gasgestänge aufgezogen, über den man dann das Pedal mit der Hand nach oben ziehen kann. An meinem Traktor fehlte dieser kleine Nippel. Ich habe mir jetzt eine ca. 30 mm große Aluscheibe mit einer Dicke von ca. 10 mm gedreht und am Gasgestänge befestigt. Jetzt kann ich wie bei einem Chokezug das Gaspedal mit zwei Finern nach oben ziehen. Über eine vernünftige Abstelleinrichtung in einer besser erreichbaren Position muss ich aber noch mal nachdenken.
Eine blöde Konstruktion sind auch die drei Bremspedale. Für die rechte und die linke Seite gibt es je ein großes Bremspedal. Zwischen diesen beiden Pedalen ragt ein im Verhältnis zu den anderen Pedalen klitzekleines Pedal nach oben raus mit dem beide Seiten gebremst werden können. Dieses nach oben herausragende Pedal hätte man weglassen können. Besser wäre es gewesen eine vernünftige Koppeleinrichtung für die beiden anderen Pedale zu konstruieren, wie sie an späteren SAME-Traktoren verwandt wurde. Man gewöhnt sich aber an alles.
Bisher bin ich auf zwei Traktortreffen gewesen. Die Resonanz ist immer gut, da hier noch niemand einen solchen Traktor gesehen hat und er schon wegen seiner auffälligen Farbe aus all den grünen Teilen hervorsticht. Ungewöhnlich ist auch die extrem hohe Sitzposition.
Bei der letzten Fahrt zu einem Traktortreffen war die Luftfeuchtigkeit etwas hoch. Ein Verdeck wäre jetzt schön gewesen. Die meisten SAME 360 in Italien haben kein Verdeck und werden offen und auch ohne Überrollbügel gefahren. Serienmäßig war vom Werk für den 360 eine Windschutzscheibe nach Vespa-Art vorgesehen an der sich seitlich zwei Stoffdreiecke befanden mit denen man die Lücke zwischen Armaturenträger und Kotflügeln schließen konnte. Der Fahrer wurde dann zwar oben rum immer noch nass aber die Knie !!! blieben trocken.
An meinem Ferguson habe ich ein Sirocco-Verdeck montiert, bei dem ich allerdings nur die Windschutzscheibe, die seitlichen Windabweiser und das Dach nutze. Vor Regen schützt es auch nur mäßig, im Sommer brennt einem aber nicht so die Sonne auf die Birne. Die dazugehörige Schürze für die Motorhaube, mit der aus dem Verdeck eine s.g. “Warmluftkabine” wird, nutze ich nicht. Das am Ferguson montierte Verdeck ist noch original aus grauem Segeltuch und nicht wie die jetzt verwandten aus rotem und weißem Plastikmaterial. Der mit einer Schablone und weißer Farbe aufgespritzte Schriftzug auf dem Dach ist auch noch der original alte Schriftzug. Nach heutigen Maßstäben ist so ein Sirocco-Verdeck natürlich ein Witz. Ich finde aber, das es dem Ferguson steht und könnte mir vorstellen dass es auch an einem alten SAME 360 gut aussieht, insbesondere wenn es ebenfalls aus Segeltuch wäre. Das Problem ist nur auch wieder die Höhe des 360. Mit einem jetzt noch montierten Verdeck egal welcher Art, passst er nicht mehr in die Garage. Schade !!!
Die Fahrt zum TÜV war die erste größere Fahrt mit dem Traktor. Als ich wieder nach Hause kam, stellte ich einen größeren Ölverlust fest. Es handelte sich um Motorenöl welches unter den Luftleitblechen an den Zylinderfüßen heraus kam. Da es sich bei der austretenden Menge nicht um Spritzöl sondern um Öl handeln musste, welches mit Druck austritt, bin ich nach dem Studium einer Zeichung der am Motor vorhandenen Ölleitungen drauf gekommen, das dafür vermutlich eine links unter dem Kühlgebläse
vorhandene ca. 20 cm lange Rohrleitung verantwortlich ist, die oben außen auf dem Motorblock verläuft. Diese Leitung ist mittels Hohlschrauben und Ringösen am Block verschraubt. Für die Abdichtung der Leitung wurden Kupferdichtringe verwandt.
Nach Abbau des Kühlgebläses war dann klar, dass das Öl aus den Verschraubungen dieser Leitung kam. Also Leitung abgeschraubt und mit neuen Kupferdichtungen und unter Verwendung eines Dichtmittels für Hydraulik-Verschraubungen wieder montiert.
Nachdem ich den Motor 20 Minuten hatte laufen lassen und alles dicht war, wurde das Kühlgebläse wieder montiert. Nach einer weiteren Probefahrt war dann aber klar, dass die Verschraubungen immer noch Öl raus ließen.
Ich weiß, dass man Kupferdichtungen zwecks besserer Dichtigkeit ausglühen kann. Da mir aber die Idee kam, dass man auch die bei Hydraulikverschraubungen üblichen Idisit-Dichtungen verwenden könnte. ( Das sind Metall-Dichtungen mit einem anvulkanisierten Gummidichtring) bin ich zum örtlichen Mercedes-LKW Händler gefahren, da die dort auch eine Hydraulikabteilung haben. Nach Schilderung meines Problems, wurde mir geraten Alu-Dichtringe zu verwenden, da diese sich besser anziehen lassen. Das habe ich dann auch getan und seitdem ist alles dicht. Hat jemand dazu einschlägige Erfahrungen ?
Zum Thema Anzugsdrehmoment der Radschrauben gibt es hier auch schon einen Beitrag. Da ich bislang aber immer noch keine konkreten Werte habe, habe ich die Radschrauben mal mit 210 Nm angezogen, da dies der normale Drehmomentschlüssel hergibt. Nach der letzten Fahrt zu einem ca. 30 km entfernten Traktortreffen, haben sich hinten alle Radmuttern gelöst. Jetzt habe ich sie mit 300 Nm angezogen. Bisher sind sie fest geblieben. Neben dem anfänglich zu geringen Anzugsdrehmoment kann für das Lösen der Schrauben aber auch der an den Felgen befindliche Lack verantwortlich gewesen sein.
Der Motor als Direkteinspritzer und ohne jegliche Vorglüheinrichtung springt auf den ersten Schlag an und läuft gut. Der Öldruck ist immer im grünen Bereich. Wenn der Motor warm ist beträgt die Öltemperatur 85° Grad. Einen Ölverbrauch konnte ich bisher nicht feststellen. Der Sound des 3 Zylinder ist gewaltig. Obwohl der TÜV-Prüfer der Meinung war, dass der Traktor gar nicht so laut sei, hört im Dorf jeder wenn ich das Ding starte. Das Fahren mit dem Traktor macht Spaß. An das Schalten mit der linken Hand gewöhnt man sich auch schnell.
Im Verhältnis zu meinem Ferguson muss ich allerdings sagen, dass der von der Arbeitsplatz-Ergonomie deutlich besser ist. Das Auf- und Absteigen auf den SAME, egal von der Seite oder von hinten, artet jedesmal in eine Kletterei aus. Mit Schuhgröße 46 ist es auch nicht ganz leicht erst mal seine Füße unterzubringen. Befindet man sich dann aber im Sitz, ist es recht bequem.
Ein Konstruktionsfehler ist das Fußpedal für das Gas. Das Pedal befindet sich unter den Bremspedalen. Zunächst einmal ist es schwierig mit dem Schuh unter das Bremspedal auf das Gaspedal zu gelangen. Ist man einmal drauf, ist der Fuß aber in einer unkomfortabelen Lage. Die Lage des Fußes wird etwas besser, wenn man sich hinten auf dem Mittelteil des Amplitorque-Pedals ( kleine Gruppe) abstützt. Allerdings muss man aufpassen, dass man dann nicht versehentlich die kleine Gruppe einschaltet.
Da man auch wenig Kontrolle über seinen Gasfuß hat, werden beim Überfahren von Bodenwellen die Stöße an den Gasfuß weitergegeben, wodurch es zu einem “ holprigen”Gasgeben kommt, was dann auch akustisch deutlich wahrzunehmen ist.
Zum Stoppen des Motors muss das Gaspedal mit dem Fuß nach oben gedrückt werden.
Steht man am Berg und muss gleichzeitig bremsen, ist es unmöglich das Gaspedal nach oben zu drücken und den Motor zu stoppen.
In Ermangelung einer vernünftigen Abstelleinrichtung haben die SAME-Ingenieure einfach eine Art Nippel auf das Gasgestänge aufgezogen, über den man dann das Pedal mit der Hand nach oben ziehen kann. An meinem Traktor fehlte dieser kleine Nippel. Ich habe mir jetzt eine ca. 30 mm große Aluscheibe mit einer Dicke von ca. 10 mm gedreht und am Gasgestänge befestigt. Jetzt kann ich wie bei einem Chokezug das Gaspedal mit zwei Finern nach oben ziehen. Über eine vernünftige Abstelleinrichtung in einer besser erreichbaren Position muss ich aber noch mal nachdenken.
Eine blöde Konstruktion sind auch die drei Bremspedale. Für die rechte und die linke Seite gibt es je ein großes Bremspedal. Zwischen diesen beiden Pedalen ragt ein im Verhältnis zu den anderen Pedalen klitzekleines Pedal nach oben raus mit dem beide Seiten gebremst werden können. Dieses nach oben herausragende Pedal hätte man weglassen können. Besser wäre es gewesen eine vernünftige Koppeleinrichtung für die beiden anderen Pedale zu konstruieren, wie sie an späteren SAME-Traktoren verwandt wurde. Man gewöhnt sich aber an alles.
Bisher bin ich auf zwei Traktortreffen gewesen. Die Resonanz ist immer gut, da hier noch niemand einen solchen Traktor gesehen hat und er schon wegen seiner auffälligen Farbe aus all den grünen Teilen hervorsticht. Ungewöhnlich ist auch die extrem hohe Sitzposition.
Bei der letzten Fahrt zu einem Traktortreffen war die Luftfeuchtigkeit etwas hoch. Ein Verdeck wäre jetzt schön gewesen. Die meisten SAME 360 in Italien haben kein Verdeck und werden offen und auch ohne Überrollbügel gefahren. Serienmäßig war vom Werk für den 360 eine Windschutzscheibe nach Vespa-Art vorgesehen an der sich seitlich zwei Stoffdreiecke befanden mit denen man die Lücke zwischen Armaturenträger und Kotflügeln schließen konnte. Der Fahrer wurde dann zwar oben rum immer noch nass aber die Knie !!! blieben trocken.
An meinem Ferguson habe ich ein Sirocco-Verdeck montiert, bei dem ich allerdings nur die Windschutzscheibe, die seitlichen Windabweiser und das Dach nutze. Vor Regen schützt es auch nur mäßig, im Sommer brennt einem aber nicht so die Sonne auf die Birne. Die dazugehörige Schürze für die Motorhaube, mit der aus dem Verdeck eine s.g. “Warmluftkabine” wird, nutze ich nicht. Das am Ferguson montierte Verdeck ist noch original aus grauem Segeltuch und nicht wie die jetzt verwandten aus rotem und weißem Plastikmaterial. Der mit einer Schablone und weißer Farbe aufgespritzte Schriftzug auf dem Dach ist auch noch der original alte Schriftzug. Nach heutigen Maßstäben ist so ein Sirocco-Verdeck natürlich ein Witz. Ich finde aber, das es dem Ferguson steht und könnte mir vorstellen dass es auch an einem alten SAME 360 gut aussieht, insbesondere wenn es ebenfalls aus Segeltuch wäre. Das Problem ist nur auch wieder die Höhe des 360. Mit einem jetzt noch montierten Verdeck egal welcher Art, passst er nicht mehr in die Garage. Schade !!!
Re: Same 360 C Allrad Oldtimer
Projekt Heckcontainer
Unter der Rubrik Same 240 bis 480 und dem Thema: Außenflansch / Hydraulischer Oberlenker / Zusatzzylinder hatte ich meine Gedanken zu einem Heckcontainer und einem hydraulischen Steuerventil bereits zu Papier gebracht.
Dieses Thema habe ich mittlerweile in die Tat umgesetzt.
Das originale SAME Steuerventil für einen SAME 360/480 habe ich auf einem französichen Traktorschrottplatz ergattert. Es handelt sich um ein einfaches aber doppelt wirkendes Steuerventil, welches anstelle des originalen Ölflansches montiert wird.
Um an Informationen über dieses Ventil zu gelangen, habe ich beim Museum in Teviglio angefragt. Leider war dieses Ventil dort unbekannt, obwohl es einen SAME Schriftzug und auch eine SAME-Ersatzteilnummer trug.
Es ist nicht unwahrscheinlich, dass es sich dabei um das um das einzige in Europa vorhandene originale Steuerventil handelt, da ich es bisher noch bei keinem anderen SAME 360/480 gesehen habe.
Ein ähnliches Ventil wurde später bei den Baureihen Centauro, Saturno, Leone und Minitauro verwandt, allerdings hatte dieses ein anderes Lochbild am Anschlussflansch und auch ein anderes Betätigungsgestänge. Aus der französischen Beschreibung des Ventils kann man aber ableiten wie das Ventil für den 360/480 funktioniert.
Den originalen kleinen Betätigungshebel des Steuerventils habe ich jetzt durch einen Eigenbau ersetzt mit dem ich das Ventil mit herabhängerder Hand vom Sitz aus bequem bedienen kann.
Um auszuprobieren ob das Steuerventil auch so funktioniert wie ich es mir vorstellte, habe ich erst mal den Hydraulikzylinder vom Schneepflug meines Nachbarn abmontiert.
Dabei habe ich dann festgestellt, dass es, um einen zusätzlichen Hydraulikzylinder anzusteuern, nicht ausreicht, den Hebel des Ventils einfach rauf und runter zu drücken. Das Ventil funktioniert nur, wenn ich zuvor den Hebel für die Regelhydraulik unter dem Lenkrad kurz in die Senkrichtung ziehe und danach auf Heben umstelle. Wenn ich dann gleichzeitig den Hebel des Steuerventils nach oben oder unten drücke, wird das Öl von der Hydraulikpumpe zum Zusatzzylinder umgeleitet. Erst wenn ich den Hebel des Steuerventils wieder los lasse, fahren die Unterlenker in ihre Endstellung nach oben.
Durch ein Bild im Ersatzteilkatalog für Zubehör weiß ich, dass bei Verwendung des Steuerventils offensichtlich auch ein anderer Deckel für den Hydraulikkasten notwendig war. Im Lüftungspilz des Deckels befand sich dann ein Durchgang zu dem Regelventil der Hubhydraulik. Vermutlich wurde der Ölkreislauf von der Pumpe zum Hubzylinder der Regelhydraulik dann so unterbrochen, dass er nur in das Steuerventil ging. Genau weiß ich das aber nicht.
Für die Profis unter den Forumsmitgliedern ist die Funktion meines Steuerventils vermutlich nervig. Mit ein bisschen Übung kriegt man es aber gut hin und es funktioniert so wie es soll.
Unter der Rubrik Same 240 bis 480 und dem Thema: Außenflansch / Hydraulischer Oberlenker / Zusatzzylinder hatte ich meine Gedanken zu einem Heckcontainer und einem hydraulischen Steuerventil bereits zu Papier gebracht.
Dieses Thema habe ich mittlerweile in die Tat umgesetzt.
Das originale SAME Steuerventil für einen SAME 360/480 habe ich auf einem französichen Traktorschrottplatz ergattert. Es handelt sich um ein einfaches aber doppelt wirkendes Steuerventil, welches anstelle des originalen Ölflansches montiert wird.
Um an Informationen über dieses Ventil zu gelangen, habe ich beim Museum in Teviglio angefragt. Leider war dieses Ventil dort unbekannt, obwohl es einen SAME Schriftzug und auch eine SAME-Ersatzteilnummer trug.
Es ist nicht unwahrscheinlich, dass es sich dabei um das um das einzige in Europa vorhandene originale Steuerventil handelt, da ich es bisher noch bei keinem anderen SAME 360/480 gesehen habe.
Ein ähnliches Ventil wurde später bei den Baureihen Centauro, Saturno, Leone und Minitauro verwandt, allerdings hatte dieses ein anderes Lochbild am Anschlussflansch und auch ein anderes Betätigungsgestänge. Aus der französischen Beschreibung des Ventils kann man aber ableiten wie das Ventil für den 360/480 funktioniert.
Den originalen kleinen Betätigungshebel des Steuerventils habe ich jetzt durch einen Eigenbau ersetzt mit dem ich das Ventil mit herabhängerder Hand vom Sitz aus bequem bedienen kann.
Um auszuprobieren ob das Steuerventil auch so funktioniert wie ich es mir vorstellte, habe ich erst mal den Hydraulikzylinder vom Schneepflug meines Nachbarn abmontiert.
Dabei habe ich dann festgestellt, dass es, um einen zusätzlichen Hydraulikzylinder anzusteuern, nicht ausreicht, den Hebel des Ventils einfach rauf und runter zu drücken. Das Ventil funktioniert nur, wenn ich zuvor den Hebel für die Regelhydraulik unter dem Lenkrad kurz in die Senkrichtung ziehe und danach auf Heben umstelle. Wenn ich dann gleichzeitig den Hebel des Steuerventils nach oben oder unten drücke, wird das Öl von der Hydraulikpumpe zum Zusatzzylinder umgeleitet. Erst wenn ich den Hebel des Steuerventils wieder los lasse, fahren die Unterlenker in ihre Endstellung nach oben.
Durch ein Bild im Ersatzteilkatalog für Zubehör weiß ich, dass bei Verwendung des Steuerventils offensichtlich auch ein anderer Deckel für den Hydraulikkasten notwendig war. Im Lüftungspilz des Deckels befand sich dann ein Durchgang zu dem Regelventil der Hubhydraulik. Vermutlich wurde der Ölkreislauf von der Pumpe zum Hubzylinder der Regelhydraulik dann so unterbrochen, dass er nur in das Steuerventil ging. Genau weiß ich das aber nicht.
Für die Profis unter den Forumsmitgliedern ist die Funktion meines Steuerventils vermutlich nervig. Mit ein bisschen Übung kriegt man es aber gut hin und es funktioniert so wie es soll.
Re: Same 360 C Allrad Oldtimer
Heckcontainer
Wie schon an anderer Stelle erwähnt wird mein Traktor nicht gewerblich benutzt. Ich habe auch keine Landwirtschaft mit den dazugehörigen Bedürfnissen. Ich habe lediglich ein ganz normales Grundstück das rundherum mit den in der Eifel typischen Hecken eingefasst ist und auf dem sich etliche große Bäume befinden. Über das Jahr fallen so ca. 15 bis 18 Kubikmeter an Heckenschnitt, Grünzeug und Laub mit einem Gewicht zwischen 7 und 9 Tonnen an. ( Ein Kubikmeter Grünzeug wiegt gemäß einer Tabelle zwischen 400 und 500 kg.) Der Rasenschnitt ist nicht mit eingerechnet. Den fahre ich mit meinem Gartentraktor immer zu meiner Nachbarin, die damit ihre Blumenbeete mulcht.
Meine Nachbarn haben bzw. hatten ebenfalls Hecken und Bäume. Ihren Grünschnitt bringen sie in unzähligen Säcken mit ihren PKW’s zum örtlichen Wertstoffhof. Da die Säcke beim Befüllen wie auch beim späteren Entladen schwer und unhandlich sind, ist deren Laune im Zusammenhang mit dem Grünabfall immer auf der untersten Stufe. Um die Laune zu verbessern geht man immer häufiger dazu über die Hecken so niedrig wie möglich zu halten und alle großen Bäume umzulegen damit bloß keine Blätter anfallen. Einige Bereiche im Dorf sind so schon zur baumfreien Zone geworden!
Auf dem Wertstoffhof herrscht ebenfalls regelmäßig das Chaos, weil sich alle mit ihren Fahrzeugen im Wege stehen und gegenseitig behindern. Die Rentner haben nie Zeit und die Hausfrauen die von ihrem Männern beauftragt wurden tagsüber die Säcke mit dem Grünabfall wegzubringen sind genervt, weil die Säcke meist zu schwer für sie sind. Mit einem Anhänger dort aufzutauchen ist auch nicht tunlich, da es einem kaum ermöglich wird rückwärts an die Stelle für Grünabfälle heran zu rangieren.
Damit ich im Zusammenhang mit meinem Grünabfall immer eine gute Laune behalte, habe ich nun beschlossen für meinen Traktor einen Heckcontainer zu bauen.
Für meinen kleinen grauen Ferguson TE 20 hatte ich bereits eine umgebaute einfache Transportbox der Bahn, die man zwar etwas kippen konnte aber letztendlich nicht soweit, dass das Grünzeug heraus rutschte. Die Kiste habe ich meist mit der Mistgabel entladen.
Nur mal so als Anmerkung: Da gibt es richtige Tabellen bei welchen Kippwinkel welche Schüttstoffe anfangen zu rutschen !
Auf dem Markt gibt es eine Unzahl von Heckcontainern der unterschiedlichsten Bauarten. Gut fand ich die Heckcontainer von Fliegl und Göweil da das Heben des Containers durch einen senrecht montierten Hydraulikzylinders erfolgt.
Ich hätte mir jetzt natürlich einen Heckcontainer von Göweil oder Fliegl in der Größe 120 mal 90 cm und einer Höhe von ca. 60 cm hinten kaufen können. Das Problem lag nur darin, dass diese Container nur knapp 0,6 Kubikmeter fassen und die Heckklappe
in jeden Fall vor dem Kippen händig entfernt werden muss.
Insbesondere das manuelle Entfernen der Heckklappe am Container war aber das Problem, da ich dazu seitlich vom SAME 360 absteigen muss. Im Gegensatz zu den Nachfolgertypen ist das beim 360 wegen seiner Höhe nicht so einfach und artet jedesmal in eine Kletterei aus. Bei dem Chaos auf dem Wertstoffhof und dem damit verbundenen Stress, sah ich mich schon irgendwann in hohen Bogen vom Traktor fliegen. Da ich aus den oben genannten Gründen auf keinen Fall vom Traktor absteigen wollte, kam nur eine automatische Öffnung der Hecklappe des Containers in Frage. Solche Klappen gibt es aber nur bei ganz teuren Containern mit einer aufwendigen Hydraulik.
Letztendlich habe ich mich dazu entschieden auf ein selbst gebautes L-Gestell aus 10 x 80 mm Flacheisen einen Container aus Winkeleisen aufzusetzen, dessen Wände aus 3 mm glattem Alublech bestehen. Die Bodenplatte des Containers besteht aus einer glatten 5 mm Aluplatte.
Zum Kippen des Containers habe ich einen bei der Fa. Fliegl als Ersatzteil für Heckcontainer erhältlichen Hydraulikzylinder verwandt. Die am Container befindliche Aufnahme für das Kardangelenk des Hydraulikzylinders habe ich gemäß dem Flieglcontainer nachgebaut, allerdings etwas verstärkt und mit Schmiernippeln versehen. Die am L-Gestell vorhandenen Drehpunkte des Containers sind ebenfalls mit Schmiernippeln versehen.
Die Kiste hat jetzt eine Größe von 130 mal 85 x 90 cm ( HxBxT) und ein Fassungsvermögen von ca. 1 Kubikmeter. Die Heckklappe des Containers hat unten eine einfache Hebelverriegelung, die beim Kippen des Containers mittels eines Drahtseils nach oben gegen einen Anschlag gezogen wird. Nach Erreichen dieses Anschlags wird dann die ganze Klappe durch einen am L-Gestell befestigten Gurt parallel zum Kippen nach oben gezogen, so dass der ca. 1 Kubikmeter große Ballen Grünabfall ohne Probleme aus der Kiste herausrutschen kann. Der maximale Kippwinkel der Kiste beträgt ca. 70 Grad. Nach dem Auskippen des Grünzeugs fahre ich ca. 1 Meter nach vorne und kippe den Container mit dem doppelt wirkenden Steuerventil wieder zurück in seine Ausgansposition. Die Heckklappe fällt beim Zurückkippen wieder zu und wird auch automatisch wieder verriegelt.
Das Aufziehen der Heckklappe mittels Gurt mag simpel ausehen, hat aber gegenüber einem festen seitlich angebrachten Zuggestänge den entscheidenden Vorteil, dass man die Klappe auch ohne Hydraulik jederzeit entriegeln und wie bei einem Brotkasten nach oben bzw. nach hinten klappen kann. Dadurch ist es z.B. möglich in die auf dem Boden stehende Kiste Holz oder Maschinen von hinten einzuladen und anschließend die Heckklappe wie einen Kofferraumdeckel zu schließen oder zu öffnen.
Die Zuggurte sind zweigeteilt. Vorne an der Klappe befindet sich ein ca. 30 cm langes Stück Sicherheitsgurt mit einem D-Ring am Ende. In diesen D-Ring wird dann der hinten am L-Gestell befestigte Gurt mit einem Karabiner eingehangen. Das hat den Vorteil, dass man den Gurt beim Beladen des Containers ausklinken und aus dem Wege nehmen kann.
Überall am Container wurden Bohrungen angebracht, in die man Zurrgurte einhängen kann. Hinten an der Kiste befindet sich auch eine Aufnahme zur sicheren Anbringung einer Mistgabel, die ich üblicherweise zum Beladen der Kiste brauche.
Das L-Gestell verfügt über Bohrungen für Stufenbolzen der Kategorie 1 und 2, wodurch ich die Kiste auch an meinen Ferguson TE 20 ankoppeln kann. Mit dem Ferguson kann ich die Kiste allerdings nicht kippen.
Bei der Konstruktion des L-Gestells war es wichtig die Koppelpunkte für die Unterlenker und insbesondere den Oberlenker so anzuordnen, dass der Container in seiner Transportstellung waagerecht zum Boden steht. Außerdem durfte er in der oberen Endstellung nicht zu weit nach hinten kippen, da er sonst die vorstehenden hinteren Ecken der italienischen Kotflügel eingedrück hätte. Auf Bildern von zum Kauf angebotenen SAME 360 sieht man immer wieder Traktoren die hinten in beiden Kotflügelecken einen waagerechten Knick haben. Diese Knicke dürften durch zu hoch angehobene Anbaugeräte entstanden sein. Im Extremfall werden sogar die kompletten Kotflügel abgerissen. Mit anderen Worten: So schön und ungewöhnlich die italienischen Kotflügel auch sein mögen, praxistauglich ist diese Form nicht.
Da der Container in der Transportstellung die Heckleuchten des SAME 360 verdeckt, habe ich an den hinteren Seitenteilen des Containers je eine nur 22 mm schmale LED 3 Kammer Leuchte angebracht, so dass jetzt dort auch ein Blink/Bremslicht und ein Rücklicht vorhanden ist. Die elektrische Verbindung zum Traktor erfolgt mittels eines Anhänger-Spiralkabels.
Die gesamte Stahlkonstruktion des Heckcontainers wurde in Belgien für 80 Euro feuerverzinkt. Die Alubleche wurden im Sichtbereich mit Vollnieten an der Stahlkonstruktion befestigt. Außerhalb des Sichtbereiches wurden Popnieten verwandt.
Ich bin jetzt schon einige Male mit dem Heckcontainer beim Wertstoffhof gewesen. Das rückwärtige Heranfahren an die Grünabfalldeponie und das Abkippen erfolgt in unter 30 Sekunden und macht richtig Spaß. Einige wenige Leute finden die Konstruktion super. Bei den meisten Leuten wird beim Anblick des Traktors und der Leichtigkeit des Abkippens der mit dem Grünzeug bereits verbundene Frust noch größer. Zum Glück können Blicke nicht töten !!!!!
So das war es jetzt erst mal wieder. Der Traktor hat eine Saisonzulassung von April bis Oktober, da ich ihn im Winter zum einem nicht dem Salz aussetzen möchte und es auch nicht wirklich Spass macht in der hier herrschenden Kälte mit einem offenen Traktor umher zu fahren. Ich vermute mal dass ich über die Winterpause noch einige Verbesserungen vornehmen werde. Gegebenenfalls werde ich nachberichten.
Viele Grüsse an das Forum
Cassani
Wie schon an anderer Stelle erwähnt wird mein Traktor nicht gewerblich benutzt. Ich habe auch keine Landwirtschaft mit den dazugehörigen Bedürfnissen. Ich habe lediglich ein ganz normales Grundstück das rundherum mit den in der Eifel typischen Hecken eingefasst ist und auf dem sich etliche große Bäume befinden. Über das Jahr fallen so ca. 15 bis 18 Kubikmeter an Heckenschnitt, Grünzeug und Laub mit einem Gewicht zwischen 7 und 9 Tonnen an. ( Ein Kubikmeter Grünzeug wiegt gemäß einer Tabelle zwischen 400 und 500 kg.) Der Rasenschnitt ist nicht mit eingerechnet. Den fahre ich mit meinem Gartentraktor immer zu meiner Nachbarin, die damit ihre Blumenbeete mulcht.
Meine Nachbarn haben bzw. hatten ebenfalls Hecken und Bäume. Ihren Grünschnitt bringen sie in unzähligen Säcken mit ihren PKW’s zum örtlichen Wertstoffhof. Da die Säcke beim Befüllen wie auch beim späteren Entladen schwer und unhandlich sind, ist deren Laune im Zusammenhang mit dem Grünabfall immer auf der untersten Stufe. Um die Laune zu verbessern geht man immer häufiger dazu über die Hecken so niedrig wie möglich zu halten und alle großen Bäume umzulegen damit bloß keine Blätter anfallen. Einige Bereiche im Dorf sind so schon zur baumfreien Zone geworden!
Auf dem Wertstoffhof herrscht ebenfalls regelmäßig das Chaos, weil sich alle mit ihren Fahrzeugen im Wege stehen und gegenseitig behindern. Die Rentner haben nie Zeit und die Hausfrauen die von ihrem Männern beauftragt wurden tagsüber die Säcke mit dem Grünabfall wegzubringen sind genervt, weil die Säcke meist zu schwer für sie sind. Mit einem Anhänger dort aufzutauchen ist auch nicht tunlich, da es einem kaum ermöglich wird rückwärts an die Stelle für Grünabfälle heran zu rangieren.
Damit ich im Zusammenhang mit meinem Grünabfall immer eine gute Laune behalte, habe ich nun beschlossen für meinen Traktor einen Heckcontainer zu bauen.
Für meinen kleinen grauen Ferguson TE 20 hatte ich bereits eine umgebaute einfache Transportbox der Bahn, die man zwar etwas kippen konnte aber letztendlich nicht soweit, dass das Grünzeug heraus rutschte. Die Kiste habe ich meist mit der Mistgabel entladen.
Nur mal so als Anmerkung: Da gibt es richtige Tabellen bei welchen Kippwinkel welche Schüttstoffe anfangen zu rutschen !
Auf dem Markt gibt es eine Unzahl von Heckcontainern der unterschiedlichsten Bauarten. Gut fand ich die Heckcontainer von Fliegl und Göweil da das Heben des Containers durch einen senrecht montierten Hydraulikzylinders erfolgt.
Ich hätte mir jetzt natürlich einen Heckcontainer von Göweil oder Fliegl in der Größe 120 mal 90 cm und einer Höhe von ca. 60 cm hinten kaufen können. Das Problem lag nur darin, dass diese Container nur knapp 0,6 Kubikmeter fassen und die Heckklappe
in jeden Fall vor dem Kippen händig entfernt werden muss.
Insbesondere das manuelle Entfernen der Heckklappe am Container war aber das Problem, da ich dazu seitlich vom SAME 360 absteigen muss. Im Gegensatz zu den Nachfolgertypen ist das beim 360 wegen seiner Höhe nicht so einfach und artet jedesmal in eine Kletterei aus. Bei dem Chaos auf dem Wertstoffhof und dem damit verbundenen Stress, sah ich mich schon irgendwann in hohen Bogen vom Traktor fliegen. Da ich aus den oben genannten Gründen auf keinen Fall vom Traktor absteigen wollte, kam nur eine automatische Öffnung der Hecklappe des Containers in Frage. Solche Klappen gibt es aber nur bei ganz teuren Containern mit einer aufwendigen Hydraulik.
Letztendlich habe ich mich dazu entschieden auf ein selbst gebautes L-Gestell aus 10 x 80 mm Flacheisen einen Container aus Winkeleisen aufzusetzen, dessen Wände aus 3 mm glattem Alublech bestehen. Die Bodenplatte des Containers besteht aus einer glatten 5 mm Aluplatte.
Zum Kippen des Containers habe ich einen bei der Fa. Fliegl als Ersatzteil für Heckcontainer erhältlichen Hydraulikzylinder verwandt. Die am Container befindliche Aufnahme für das Kardangelenk des Hydraulikzylinders habe ich gemäß dem Flieglcontainer nachgebaut, allerdings etwas verstärkt und mit Schmiernippeln versehen. Die am L-Gestell vorhandenen Drehpunkte des Containers sind ebenfalls mit Schmiernippeln versehen.
Die Kiste hat jetzt eine Größe von 130 mal 85 x 90 cm ( HxBxT) und ein Fassungsvermögen von ca. 1 Kubikmeter. Die Heckklappe des Containers hat unten eine einfache Hebelverriegelung, die beim Kippen des Containers mittels eines Drahtseils nach oben gegen einen Anschlag gezogen wird. Nach Erreichen dieses Anschlags wird dann die ganze Klappe durch einen am L-Gestell befestigten Gurt parallel zum Kippen nach oben gezogen, so dass der ca. 1 Kubikmeter große Ballen Grünabfall ohne Probleme aus der Kiste herausrutschen kann. Der maximale Kippwinkel der Kiste beträgt ca. 70 Grad. Nach dem Auskippen des Grünzeugs fahre ich ca. 1 Meter nach vorne und kippe den Container mit dem doppelt wirkenden Steuerventil wieder zurück in seine Ausgansposition. Die Heckklappe fällt beim Zurückkippen wieder zu und wird auch automatisch wieder verriegelt.
Das Aufziehen der Heckklappe mittels Gurt mag simpel ausehen, hat aber gegenüber einem festen seitlich angebrachten Zuggestänge den entscheidenden Vorteil, dass man die Klappe auch ohne Hydraulik jederzeit entriegeln und wie bei einem Brotkasten nach oben bzw. nach hinten klappen kann. Dadurch ist es z.B. möglich in die auf dem Boden stehende Kiste Holz oder Maschinen von hinten einzuladen und anschließend die Heckklappe wie einen Kofferraumdeckel zu schließen oder zu öffnen.
Die Zuggurte sind zweigeteilt. Vorne an der Klappe befindet sich ein ca. 30 cm langes Stück Sicherheitsgurt mit einem D-Ring am Ende. In diesen D-Ring wird dann der hinten am L-Gestell befestigte Gurt mit einem Karabiner eingehangen. Das hat den Vorteil, dass man den Gurt beim Beladen des Containers ausklinken und aus dem Wege nehmen kann.
Überall am Container wurden Bohrungen angebracht, in die man Zurrgurte einhängen kann. Hinten an der Kiste befindet sich auch eine Aufnahme zur sicheren Anbringung einer Mistgabel, die ich üblicherweise zum Beladen der Kiste brauche.
Das L-Gestell verfügt über Bohrungen für Stufenbolzen der Kategorie 1 und 2, wodurch ich die Kiste auch an meinen Ferguson TE 20 ankoppeln kann. Mit dem Ferguson kann ich die Kiste allerdings nicht kippen.
Bei der Konstruktion des L-Gestells war es wichtig die Koppelpunkte für die Unterlenker und insbesondere den Oberlenker so anzuordnen, dass der Container in seiner Transportstellung waagerecht zum Boden steht. Außerdem durfte er in der oberen Endstellung nicht zu weit nach hinten kippen, da er sonst die vorstehenden hinteren Ecken der italienischen Kotflügel eingedrück hätte. Auf Bildern von zum Kauf angebotenen SAME 360 sieht man immer wieder Traktoren die hinten in beiden Kotflügelecken einen waagerechten Knick haben. Diese Knicke dürften durch zu hoch angehobene Anbaugeräte entstanden sein. Im Extremfall werden sogar die kompletten Kotflügel abgerissen. Mit anderen Worten: So schön und ungewöhnlich die italienischen Kotflügel auch sein mögen, praxistauglich ist diese Form nicht.
Da der Container in der Transportstellung die Heckleuchten des SAME 360 verdeckt, habe ich an den hinteren Seitenteilen des Containers je eine nur 22 mm schmale LED 3 Kammer Leuchte angebracht, so dass jetzt dort auch ein Blink/Bremslicht und ein Rücklicht vorhanden ist. Die elektrische Verbindung zum Traktor erfolgt mittels eines Anhänger-Spiralkabels.
Die gesamte Stahlkonstruktion des Heckcontainers wurde in Belgien für 80 Euro feuerverzinkt. Die Alubleche wurden im Sichtbereich mit Vollnieten an der Stahlkonstruktion befestigt. Außerhalb des Sichtbereiches wurden Popnieten verwandt.
Ich bin jetzt schon einige Male mit dem Heckcontainer beim Wertstoffhof gewesen. Das rückwärtige Heranfahren an die Grünabfalldeponie und das Abkippen erfolgt in unter 30 Sekunden und macht richtig Spaß. Einige wenige Leute finden die Konstruktion super. Bei den meisten Leuten wird beim Anblick des Traktors und der Leichtigkeit des Abkippens der mit dem Grünzeug bereits verbundene Frust noch größer. Zum Glück können Blicke nicht töten !!!!!
So das war es jetzt erst mal wieder. Der Traktor hat eine Saisonzulassung von April bis Oktober, da ich ihn im Winter zum einem nicht dem Salz aussetzen möchte und es auch nicht wirklich Spass macht in der hier herrschenden Kälte mit einem offenen Traktor umher zu fahren. Ich vermute mal dass ich über die Winterpause noch einige Verbesserungen vornehmen werde. Gegebenenfalls werde ich nachberichten.
Viele Grüsse an das Forum
Cassani
Re: Same 360 C Allrad Oldtimer
Zu guter Letzt jetzt noch zwei Bilder vom Heckcontainer in der normalen Transportstellung und in Kippstellung mit aufgezogen Klappe.