Steuergerät Heckhydraulik doppeltwirkend ändern

Hydraulikblock, Betätigung, Zusatzhubzylinder
Kurt_TigerSix105
Foren-Administrator
Beiträge: 1308
Registriert: 31. Oktober 2010, 21:51
Wohnort: 57629 Mörsbach Ww.
Kontaktdaten:

Re: Steuergerät Heckhydraulik doppeltwirkend ändern

Beitrag von Kurt_TigerSix105 »

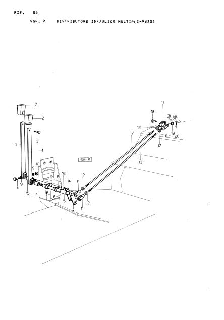
Hydraulisches Steuerventil vielfachwirkend oder in der Bedienungsanleitung auch Hilfswegeventil genannt:
hydraulisches Steuerventil vielfachwirkend Seite 1
hydraulisches Steuerventil vielfachwirkend Seite 1
hydr Steuerventil vielfachwirkend Seite 2
hydr Steuerventil vielfachwirkend Seite 2
Hier ist das Steuergerät im Deckel der Automatischen Kontrollstation eingebaut und die Bedienhebel befinden sich rechts neben dem Sitz zwischen den Bedienhebel der Heckhydraulik (gelber und grüner Knopf) und dem Bedienhebel für die Zapfwelle (schwarzer Knopf) und sind auch ausgestattet mit jeweils einem schwarzen Knopf.
Heckansicht dieser Ausführung
Heckansicht dieser Ausführung
Bedienhebel rechts neben Fahrersitz
Bedienhebel rechts neben Fahrersitz
Funktionsbeschreibung dieser Ausführung in der Bedienungsanleitung
Funktionsbeschreibung dieser Ausführung in der Bedienungsanleitung
Bei dieser hier gezeigten Ausführung ist es auch möglich die Umänderung von einfach- auf doppeltwirkend oder umgekehrt laut Werkstatthandbuch vorzunehmen:
Umänderung der Hilfsventile von einfach- auf doppeltwirkend oder umgekehrt
Umänderung der Hilfsventile von einfach- auf doppeltwirkend oder umgekehrt
Im nächsten Beitrag die als Zubehör angegebene Hydraulikhilfsanlage.
Viele Gruesse
Kurt

"Bei 99% aller Probleme ist die umfassende Beschreibung des Problems bereits mehr als die Hälfte der Lösung desselben."
Kurt_TigerSix105
Foren-Administrator
Beiträge: 1308
Registriert: 31. Oktober 2010, 21:51
Wohnort: 57629 Mörsbach Ww.
Kontaktdaten:

Re: Steuergerät Heckhydraulik doppeltwirkend ändern

Beitrag von Kurt_TigerSix105 »

b) Zubehör Hydraulikhilfsanlage (mit zusätzlicher Hydraulikpumpe und Steuergerät, beides von Bosch, seitlich rechts am Gehäuse der Autom. Kontrollstation angeflanscht)
Hydraulikhilfsanlage Zubehör Bosch
Hydraulikhilfsanlage Zubehör Bosch
Einzelteile Steuergerät der Hydraulikhilfsanlage Bosch
Einzelteile Steuergerät der Hydraulikhilfsanlage Bosch
Einzelteile Hydraulikpumpe der Hydraulikhilfanlage Bosch
Einzelteile Hydraulikpumpe der Hydraulikhilfanlage Bosch
Zu dieser Ausführung - die wohl Tobias in seinem Tiger Six verbaut hat, habe ich allerdings keinerlei Unterlagen wie Bedienungsanleitung oder Werkstatthandbuch wo ich mit der Umrüstung von einfach- auf doppeltwirkend oder umgekehrt dienen kann.

Da Same ja viel inhouse produziert hat, ist davon auszugehen, daß diese beiden Varianten auch noch bei anderen Same Schleppertypen verbaut worden sind, ich denke da z.b. an Panther, Leopard, Jaguar.... Vielleicht ist ja einer der Besitzer so freundlich und kann hier für Beantwortung der originären Frage sorgen:

Wie stellt man an diesem Steuergerät von doppeltwirkend auf einfachwirkend um?
Viele Gruesse
Kurt

"Bei 99% aller Probleme ist die umfassende Beschreibung des Problems bereits mehr als die Hälfte der Lösung desselben."
Antworten

Zurück zu „Heckhydraulik“