Hallo,
ich habe mir Ostern einen Condor 55 Synchro von 1983 zugelegt.
Jetzt würde mich die Pumpe interessieren, allerdings finde ich die nirgends?
Kann mir bitte jemand erklären wo diese sitzt?
Evtl hat ja jemand eine Schnitt Zeichnung?
Danke und Grüße
Christian
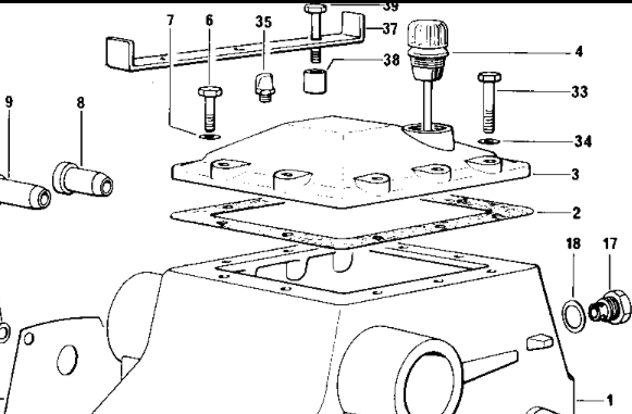
Reihenkolbenpumpe Condor
Hydraulikblock, Betätigung, Zusatzhubzylinder
Re: Reihenkolbenpumpe Condor
Hallo texas !
Ich gehe davon aus, dass Du die Einspritzpumpe meinst. Das ist die Nr. 1 auf der Zeichnung. Oben drauf sind die drei Anschlüsse für die Einspritzleitungen. Die müsste man doch gut sehen können.
Vielleicht hat der Kurt ja noch ein besseres Bild.
MFG
Cassani
Ich gehe davon aus, dass Du die Einspritzpumpe meinst. Das ist die Nr. 1 auf der Zeichnung. Oben drauf sind die drei Anschlüsse für die Einspritzleitungen. Die müsste man doch gut sehen können.
Vielleicht hat der Kurt ja noch ein besseres Bild.
MFG
Cassani
Re: Reihenkolbenpumpe Condor
Hallo Texas !
Da war ich mal wieder etwas zu schnell. Habe jetzt erst gesehen, dass Du den Beitrag bei der Rubrik Heckhydraulik eingestellt hast.
Dann nehmen wir eben die anderen Bilder. Die Pumpe ist in dem Kasten unter dem Sitz.
MFG
Cassani
Da war ich mal wieder etwas zu schnell. Habe jetzt erst gesehen, dass Du den Beitrag bei der Rubrik Heckhydraulik eingestellt hast.
Dann nehmen wir eben die anderen Bilder. Die Pumpe ist in dem Kasten unter dem Sitz.
MFG
Cassani
Gehe zu
- Allgemeines
- ↳ Das Forum betreffend...
- ↳ Neuigkeiten und Ankündigungen
- ↳ Firmen, Adressen, Webseiten
- Same
- ↳ DA 12 bis DA 67 ohne Sametto (1953-1966)
- ↳ Wissenswertes
- ↳ Motor
- ↳ Triebwerk
- ↳ Bremse
- ↳ Lenkung
- ↳ Karosserie
- ↳ elektrische Anlage
- ↳ Heckhydraulik
- ↳ Bereifung
- ↳ Zubehör
- ↳ Puledro, 240, 250, 360, 480, Ariete, Atlanta, Italia (1959-65)
- ↳ Wissenswertes
- ↳ Motor
- ↳ Triebwerk
- ↳ Bremse
- ↳ Lenkung
- ↳ Karosserie
- ↳ elektrische Anlage
- ↳ Heckhydraulik
- ↳ Bereifung
- ↳ Zubehör
- ↳ Delfino, Aurora (1971-95)
- ↳ Wissenswertes
- ↳ Motor
- ↳ Triebwerk
- ↳ Bremse
- ↳ Lenkung
- ↳ Karosserie
- ↳ elektrische Anlage
- ↳ Heckhydraulik
- ↳ Bereifung
- ↳ Zubehör
- ↳ Falcon, Minitauro, Centauro (1965-78)
- ↳ Wissenswertes
- ↳ Motor
- ↳ Triebwerk
- ↳ Bremse
- ↳ Lenkung
- ↳ Karosserie
- ↳ elektrische Anlage
- ↳ Heckhydraulik
- ↳ Bereifung
- ↳ Zubehör
- ↳ Leone, Corsaro, Saturno, Ariete (1967-80)
- ↳ Wissenswertes
- ↳ Motor
- ↳ Triebwerk
- ↳ Bremse
- ↳ Lenkung
- ↳ Karosserie
- ↳ elektrische Anlage
- ↳ Heckhydraulik
- ↳ Bereifung
- ↳ Zubehör
- ↳ Panter, Drago, Buffalo (1973-77)
- ↳ Wissenswertes
- ↳ Motor
- ↳ Triebwerk
- ↳ Bremse
- ↳ Lenkung
- ↳ Karosserie
- ↳ elektrische Anlage
- ↳ Heckhydraulik
- ↳ Bereifung
- ↳ Zubehör
- ↳ Falcon, Condor, Taurus, Minitaurus (1976-87)
- ↳ Wissenswertes
- ↳ Motor
- ↳ Triebwerk
- ↳ Bremse
- ↳ Lenkung
- ↳ Karosserie
- ↳ elektrische Anlage
- ↳ Heckhydraulik
- ↳ Bereifung
- ↳ Zubehör
- ↳ Centauro, Centurion, Mercury, Leopard (1978-87)
- ↳ Wissenswertes
- ↳ Motor
- ↳ Triebwerk
- ↳ Bremse
- ↳ Lenkung
- ↳ Karosserie
- ↳ elektrische Anlage
- ↳ Heckhydraulik
- ↳ Bereifung
- ↳ Zubehör
- ↳ Panther, Jaguar (1978-84)
- ↳ Wissenswertes
- ↳ Motor
- ↳ Triebwerk
- ↳ Bremse
- ↳ Lenkung
- ↳ Karosserie
- ↳ elektrische Anlage
- ↳ Heckhydraulik
- ↳ Bereifung
- ↳ Zubehör
- ↳ Tiger, Trident (1977-83)
- ↳ Wissenswertes
- ↳ Motor
- ↳ Triebwerk
- ↳ Bremse
- ↳ Lenkung
- ↳ Karosserie
- ↳ elektrische Anlage
- ↳ Heckhydraulik
- ↳ Bereifung
- ↳ Zubehör
- ↳ Drago, Buffalo, Hercules (1978-86)
- ↳ Wissenswertes
- ↳ Motor
- ↳ Triebwerk
- ↳ Bremse
- ↳ Lenkung
- ↳ Karosserie
- ↳ elektrische Anlage
- ↳ Heckhydraulik
- ↳ Bereifung
- ↳ Zubehör
- ↳ Vigneron, Frutteto, Golden (1979-2009)
- ↳ Wissenswertes
- ↳ Motor
- ↳ Triebwerk
- ↳ Bremse
- ↳ Lenkung
- ↳ Karosserie
- ↳ elektrische Anlage
- ↳ Heckhydraulik
- ↳ Bereifung
- ↳ Zubehör
- ↳ Explorer, Explorer II, Explorer III (1983- heute) auch Same Acqua Speed 95
- ↳ Wissenswertes
- ↳ Motor
- ↳ Triebwerk
- ↳ Bremse
- ↳ Lenkung
- ↳ Karosserie
- ↳ elektrische Anlage
- ↳ Heckhydraulik
- ↳ Bereifung
- ↳ Zubehör
- ↳ Laser, Galaxy (1985-96)
- ↳ Wissenswertes
- ↳ Motor
- ↳ Triebwerk
- ↳ Bremse
- ↳ Lenkung
- ↳ Karosserie
- ↳ elektrische Anlage
- ↳ Heckhydraulik
- ↳ Bereifung
- ↳ Zubehör
- ↳ Solar (1987-97)
- ↳ Wissenswertes
- ↳ Motor
- ↳ Triebwerk
- ↳ Bremse
- ↳ Lenkung
- ↳ Karosserie
- ↳ elektrische Anlage
- ↳ Heckhydraulik
- ↳ Bereifung
- ↳ Zubehör
- ↳ Aster (1989-96)
- ↳ Motor
- ↳ Triebwerk
- ↳ Bremse
- ↳ Lenkung
- ↳ Karosserie
- ↳ elektrische Anlage
- ↳ Heckhydraulik
- ↳ Bereifung
- ↳ Zubehör
- ↳ Antares, Antares II (1989-2000)
- ↳ Motor
- ↳ Triebwerk
- ↳ Bremse
- ↳ Lenkung
- ↳ Karosserie
- ↳ elektrische Anlage
- ↳ Heckhydraulik
- ↳ Bereifung
- ↳ Zubehör
- ↳ Titan (1991-2001)
- ↳ Wissenswertes
- ↳ Motor
- ↳ Triebwerk
- ↳ Bremse
- ↳ Lenkung
- ↳ Karosserie
- ↳ elektrische Anlage
- ↳ Heckhydraulik
- ↳ Bereifung
- ↳ Zubehör
- ↳ Solaris (1992 - )
- ↳ Wissenswertes
- ↳ Motor
- ↳ Triebwerk
- ↳ Bremse
- ↳ Lenkung
- ↳ Karosserie
- ↳ elektrische Anlage
- ↳ Heckhydraulik
- ↳ Bereifung
- ↳ Zubehör
- ↳ Argon, Argon Classic, Argon III (1993-heute)
- ↳ Wissenswertes
- ↳ Motor
- ↳ Triebwerk
- ↳ Bremse
- ↳ Lenkung
- ↳ Karosserie
- ↳ elektrische Anlage
- ↳ Heckhydraulik
- ↳ Bereifung
- ↳ Zubehör
- ↳ Dorado alle Typen (1995- )
- ↳ Motor
- ↳ Triebwerk
- ↳ Bremse
- ↳ Lenkung
- ↳ Karosserie
- ↳ elektrische Anlage
- ↳ Heckhydraulik
- ↳ Bereifung
- ↳ Zubehör
- ↳ Silver, alle Typen (1995-2013)
- ↳ Wissenswertes
- ↳ Motor
- ↳ Triebwerk
- ↳ Bremse
- ↳ Lenkung
- ↳ Karroserie
- ↳ elektrische Anlage
- ↳ Heckhydraulik
- ↳ Bereifung
- ↳ Zubehör
- ↳ Rubin (1998-2004)
- ↳ Wissenswertes
- ↳ Motor
- ↳ Triebwerk
- ↳ Bremse
- ↳ Lenkung
- ↳ Karosserie
- ↳ elektrische Anlage
- ↳ Heckhydraulik
- ↳ Bereifung
- ↳ Zubehör
- ↳ Raupenschlepper
- ↳ Wissenswertes
- ↳ Motor
- ↳ Triebwerk
- ↳ Bremse
- ↳ Lenkung
- ↳ Karosserie
- ↳ elektrische Anlage
- ↳ Heckhydraulik
- ↳ Bereifung
- ↳ Zubehör
- Lamborghini
- ↳ Wie wird Lamborghini richtig ausgesprochen
- ↳ Lamborghini Acqua Speed 100
- ↳ Wissenswertes
- ↳ Motor
- ↳ Triebwerk
- ↳ Bremse
- ↳ Lenkung
- ↳ Karosserie
- ↳ elektrische Anlage
- ↳ Heckhydraulik
- ↳ Bereifung
- ↳ Zubehör
- ↳ Alle Lamborghini Typen (1948 - 1967)
- ↳ Wissenswertes
- ↳ Motor
- ↳ Triebwerk
- ↳ Bremse
- ↳ Lenkung
- ↳ Karosserie
- ↳ elektrische Anlage
- ↳ Heckhydraulik
- ↳ Bereifung
- ↳ Zubehör
- ↳ R235 (1972 - 1989)
- ↳ Wissenswertes
- ↳ Motor
- ↳ Triebwerk
- ↳ Bremse
- ↳ Lenkung
- ↳ Karosserie
- ↳ elektrische Anlage
- ↳ Heckhydraulik
- ↳ Bereifung
- ↳ Zubehör
- ↳ R503 - R603 (1973-1982) R704 - R804 - R904 (1976-1982)
- ↳ Wissenswertes
- ↳ Motor
- ↳ Triebwerk
- ↳ Bremse
- ↳ Lenkung
- ↳ Karosserie
- ↳ elektrische Anlage
- ↳ Heckhydraulik
- ↳ Bereifung
- ↳ Zubehör
- ↳ 654(77-82) - 754(75-82 - 754(82-85) - 784(80-85) - 854(76-85) - 955(79-85)
- ↳ Wissenswertes
- ↳ Motor
- ↳ Triebwerk
- ↳ Bremse
- ↳ Lenkung
- ↳ Karosserie
- ↳ elektrische Anlage
- ↳ Heckhydraulik
- ↳ Bereifung
- ↳ Zubehör
- ↳ 483 - 583 - 653 - 683 - 684 (1980 - 1985)
- ↳ Wissenswertes
- ↳ Motor
- ↳ Triebwerk
- ↳ Bremse
- ↳ Lenkung
- ↳ Karosserie
- ↳ elektrische Anlage
- ↳ Heckhydraulik
- ↳ Bereifung
- ↳ Zubehör
- ↳ 600 - 700 (1989 - 1996)
- ↳ Crono 554-50 - 564-60 - 574-70 (1993 - 2001)
- ↳ Wissenswertes
- ↳ Motor
- ↳ Triebwerk
- ↳ Bremse
- ↳ Lenkung
- ↳ Karosserie
- ↳ elektrische Anlage
- ↳ Heckhydraulik
- ↳ Bereifung
- ↳ Zubehör
- ↳ Crono 70- 80 - 90 - 100 (2017 - )
- ↳ Wissenswertes
- ↳ Motor
- ↳ Triebwerk
- ↳ Bremse
- ↳ Lenkung
- ↳ Karosserie
- ↳ elektrische Anlage
- ↳ Heckhydraulik
- ↳ Bereifung
- ↳ Zubehör
- ↳ R1.30 - R1.55
- ↳ Wissenswertes
- ↳ Motor
- ↳ Triebwerk
- ↳ Bremse
- ↳ Lenkung
- ↳ Karosserie
- ↳ elektrische Anlage
- ↳ Heckhydraulik
- ↳ Bereifung
- ↳ Zubehör
- ↳ R4.85 - R4.110 (2004 - 2009)
- ↳ Wissenswertes
- ↳ Motor
- ↳ Triebwerk
- ↳ Bremse
- ↳ Lenkung
- ↳ Karosserie
- ↳ Elektrische Anlage
- ↳ Heckhydraulik
- ↳ Bereifung
- ↳ Zubehör
- Off-topic
- ↳ Off-topic
- ↳ Vorstellungen
- ↳ Galerie
- ↳ Biete / Suche
- ↳ Biete
- ↳ Suche
- ↳ Termine